Justification of parameters of electrical substitution diagram for castore seed components

Cover Page

Cite item

Full Text

Abstract

The purpose of the research is to increase the efficiency of hulling castor bean seeds and separating its crushed seeds in the general technological process of material processing. In the technology of castor bean processing, an important place is occupied by the operation of hulling and separating its crushed beans, which should prevent toxic substances such as ricin, ricinin and allergen from entering the final product of processing. When applying electrophysical methods of influencing castor bean seeds, it is necessary to have an understanding of the electrical properties of the components of castor bean seeds, such as the kernel and husk. Knowledge of such properties is necessary for the development of devices that will use electric fields in the technological operations of hulling castor bean seeds and separating its crushed grain. However, since the seeds of agricultural crops are dielectrics, and polarization processes occur in any dielectric, it is not possible to substantiate their electrical properties without understanding these processes in relation to castor bean seeds. Therefore, the purpose of the article is to establish processes in the components of castor bean seeds that occur under the influence of voltage applied to them by substantiating the parameters of the electrical equivalent circuit. As a result of the justification, equations were obtained to determine the parameters of the electrical equivalent circuit for the kernel and seeds of castor beans, namely: capacitance due to electronic and ionic polarization, capacitance due to dipole and structural polarization, resistance due to dipole and structural polarization, resistance to through conduction current. Such equations will make it possible in the process of research to establish the electrical properties (dielectric loss tangent, relative dielectric constant and electrical conductivity) of the kernel and husk of castor bean seeds, taking into account the moisture content of the seeds, temperature and frequency of the power supply network.

Full Text

Масличные культуры имеют важное народнохозяйственное значение, поскольку являются источником получения ценных продовольственных и технических продуктов. Среди масличных культур важное место занимает клещевина, основной продукт переработки которой является касторовое масло, используемое для химической, электротехнической, медицинской, авиационной и других отраслей промышленности [1].

Качество тех или иных продуктов переработки клещевины в значительной степени зависит от принятой технологии. В технологии переработки клещевины важное место занимает операция обрушивания и разделения рушанки семян клещевины, которая призвана предотвратить попадание в конечный продукт переработки ядовитых веществ, таких как рицин, рицинин и аллерген [2]. При применении электрофизических способов воздействия на семена клещевины необходимо иметь представление об электрических свойствах [3] компонентов семян клещевины, таких как ядро и лузга. Знание таких свойств необходимы для разработки устройств, которые будут использовать электрические поля в технологических операциях обрушивания семян клещевины и разделения её рушанки.

Цель исследований: повышение эффективности обрушивания семян клещевины и разделение ее рушанки в общем технологическом процессе переработки материала.

Задачи исследований: изучение процессов, протекающих в составных частях семян клещевины и определение параметров схемы замещения для этих компонентов с целью установления их электрических свойств, связанных с процессами поляризации.

Так как семена сельскохозяйственных культур относятся к диэлектрикам [4], а в любом диэлектрике протекают процессы поляризации, то без понимания этих процессов применительно к семенам клещевины, обосновать их электрические свойства не представляется возможным, что и является актуальной задачей данной статьи.

Материал и методы исследований. Важнейшими электрическими свойствами диэлектриков [4], к которым относятся семена сельскохозяйственных культур, являются тангенс угла диэлектрических потерь, относительная диэлектрическая проницаемость и электропроводность этих материалов.

Тангенс угла диэлектрических потерь tgδ MathType@MTEF@5@5@+= feaahGart1ev3aqatCvAUfeBSjuyZL2yd9gzLbvyNv2CaerbuLwBLn hiov2DGi1BTfMBaeXatLxBI9gBaerbd9wDYLwzYbItLDharqqtubsr 4rNCHbGeaGqiVCI8FfYJH8YrFfeuY=Hhbbf9v8qqaqFr0xc9pk0xbb a9q8WqFfeaY=biLkVcLq=JHqpepeea0=as0Fb9pgeaYRXxe9vr0=vr 0=vqpWqaaeaabiGaciaacaqabeaadaqaaqaaaOqaaabaaaaaaaaape GaamiDaiaadEgacqaH0oazaaa@3997@ , а также угол диэлектрических потерь характеризует способность диэлектрика рассеивать энергию в электрическом поле. Чем больше будет рассеиваться мощность в диэлектрике, переходящая в тепло, тем больше будет угол диэлектрических потерь δ MathType@MTEF@5@5@+= feaahGart1ev3aqatCvAUfeBSjuyZL2yd9gzLbvyNv2CaerbuLwBLn hiov2DGi1BTfMBaeXatLxBI9gBaerbd9wDYLwzYbItLDharqqtubsr 4rNCHbGeaGqiVCI8FfYJH8YrFfeuY=Hhbbf9v8qqaqFr0xc9pk0xbb a9q8WqFfeaY=biLkVcLq=JHqpepeea0=as0Fb9pgeaYRXxe9vr0=vr 0=vqpWqaaeaabiGaciaacaqabeaadaqaaqaaaOqaaabaaaaaaaaape GaeqiTdqgaaa@37B2@  и его функция tgδ MathType@MTEF@5@5@+= feaahGart1ev3aqatCvAUfeBSjuyZL2yd9gzLbvyNv2CaerbuLwBLn hiov2DGi1BTfMBaeXatLxBI9gBaerbd9wDYLwzYbItLDharqqtubsr 4rNCHbGeaGqiVCI8FfYJH8YrFfeuY=Hhbbf9v8qqaqFr0xc9pk0xbb a9q8WqFfeaY=biLkVcLq=JHqpepeea0=as0Fb9pgeaYRXxe9vr0=vr 0=vqpWqaaeaabiGaciaacaqabeaadaqaaqaaaOqaaabaaaaaaaaape GaamiDaiaadEgacqaH0oazaaa@3997@  [5]. В общем случае, выражение для мощности рассеяния энергии в единице объёма диэлектрика (удельные диэлектрические потери), определится по формуле [6]

Р уд =ω ε 0 εtgδ Е 2 MathType@MTEF@5@5@+= feaahGart1ev3aqatCvAUfeBSjuyZL2yd9gzLbvyNv2CaerbuLwBLn hiov2DGi1BTfMBaeXatLxBI9gBaerbd9wDYLwzYbItLDharqqtubsr 4rNCHbGeaGqiVCI8FfYJH8YrFfeuY=Hhbbf9v8qqaqFr0xc9pk0xbb a9q8WqFfeaY=biLkVcLq=JHqpepeea0=as0Fb9pgeaYRXxe9vr0=vr 0=vqpWqaaeaabiGaciaacaqabeaadaqaaqaaaOqaaabaaaaaaaaape Gaamiie8aadaWgaaWcbaWdbiaadoebcaWG0qaapaqabaGcpeGaeyyp a0JaeqyYdCNaeqyTdu2damaaBaaaleaapeGaaGimaaWdaeqaaOWdbi abew7aLjaadshacaWGNbGaeqiTdqMaamyfe8aadaahaaWcbeqaa8qa caaIYaaaaaaa@4532@ ,                                                                                                                         (1)

где Р уд MathType@MTEF@5@5@+= feaahGart1ev3aqatCvAUfeBSjuyZL2yd9gzLbvyNv2CaerbuLwBLn hiov2DGi1BTfMBaeXatLxBI9gBaerbd9wDYLwzYbItLDharqqtubsr 4rNCHbGeaGqiVCI8FfYJH8YrFfeuY=Hhbbf9v8qqaqFr0xc9pk0xbb a9q8WqFfeaY=biLkVcLq=JHqpepeea0=as0Fb9pgeaYRXxe9vr0=vr 0=vqpWqaaeaabiGaciaacaqabeaadaqaaqaaaOqaaabaaaaaaaaape Gaamiie8aadaWgaaWcbaWdbiaadoebcaWG0qaapaqabaaaaa@3899@   MathType@MTEF@5@5@+= feaahGart1ev3aqatCvAUfeBSjuyZL2yd9gzLbvyNv2CaerbuLwBLn hiov2DGi1BTfMBaeXatLxBI9gBaerbd9wDYLwzYbItLDharqqtubsr 4rNCHbGeaGqiVu0Je9sqqrpepC0xbbL8F4rqqrFfpeea0xe9Lq=Jc9 vqaqpepm0xbba9pwe9Q8fs0=yqaqpepae9pg0FirpepeKkFr0xfr=x fr=xb9adbaqaaeGaciGaaiaabeqaamaabaabaaGcbaqefmuySLMyYL gaiuaajugqbabaaaaaaaaapeGaa83eGaaa@3A54@  удельные потери, Вт/м3;

ω=2πf MathType@MTEF@5@5@+= feaahGart1ev3aqatCvAUfeBSjuyZL2yd9gzLbvyNv2CaerbuLwBLn hiov2DGi1BTfMBaeXatLxBI9gBaerbd9wDYLwzYbItLDharqqtubsr 4rNCHbGeaGqiVCI8FfYJH8YrFfeuY=Hhbbf9v8qqaqFr0xc9pk0xbb a9q8WqFfeaY=biLkVcLq=JHqpepeea0=as0Fb9pgeaYRXxe9vr0=vr 0=vqpWqaaeaabiGaciaacaqabeaadaqaaqaaaOqaaabaaaaaaaaape GaeqyYdCNaeyypa0JaaGOmaiabec8aWjaadAgaaaa@3C44@   MathType@MTEF@5@5@+= feaahGart1ev3aqatCvAUfeBSjuyZL2yd9gzLbvyNv2CaerbuLwBLn hiov2DGi1BTfMBaeXatLxBI9gBaerbd9wDYLwzYbItLDharqqtubsr 4rNCHbGeaGqiVu0Je9sqqrpepC0xbbL8F4rqqrFfpeea0xe9Lq=Jc9 vqaqpepm0xbba9pwe9Q8fs0=yqaqpepae9pg0FirpepeKkFr0xfr=x fr=xb9adbaqaaeGaciGaaiaabeqaamaabaabaaGcbaqefmuySLMyYL gaiuaajugqbabaaaaaaaaapeGaa83eGaaa@3A54@  угловая частота, рад/с;

f MathType@MTEF@5@5@+= feaahGart1ev3aqatCvAUfeBSjuyZL2yd9gzLbvyNv2CaerbuLwBLn hiov2DGi1BTfMBaeXatLxBI9gBaerbd9wDYLwzYbItLDharqqtubsr 4rNCHbGeaGqiVCI8FfYJH8YrFfeuY=Hhbbf9v8qqaqFr0xc9pk0xbb a9q8WqFfeaY=biLkVcLq=JHqpepeea0=as0Fb9pgeaYRXxe9vr0=vr 0=vqpWqaaeaabiGaciaacaqabeaadaqaaqaaaOqaaabaaaaaaaaape GaamOzaaaa@36F8@   MathType@MTEF@5@5@+= feaahGart1ev3aqatCvAUfeBSjuyZL2yd9gzLbvyNv2CaerbuLwBLn hiov2DGi1BTfMBaeXatLxBI9gBaerbd9wDYLwzYbItLDharqqtubsr 4rNCHbGeaGqiVu0Je9sqqrpepC0xbbL8F4rqqrFfpeea0xe9Lq=Jc9 vqaqpepm0xbba9pwe9Q8fs0=yqaqpepae9pg0FirpepeKkFr0xfr=x fr=xb9adbaqaaeGaciGaaiaabeqaamaabaabaaGcbaqefmuySLMyYL gaiuaajugqbabaaaaaaaaapeGaa83eGaaa@3A54@  частота сети, Гц;

ε 0 MathType@MTEF@5@5@+= feaahGart1ev3aqatCvAUfeBSjuyZL2yd9gzLbvyNv2CaerbuLwBLn hiov2DGi1BTfMBaeXatLxBI9gBaerbd9wDYLwzYbItLDharqqtubsr 4rNCHbGeaGqiVCI8FfYJH8YrFfeuY=Hhbbf9v8qqaqFr0xc9pk0xbb a9q8WqFfeaY=biLkVcLq=JHqpepeea0=as0Fb9pgeaYRXxe9vr0=vr 0=vqpWqaaeaabiGaciaacaqabeaadaqaaqaaaOqaaabaaaaaaaaape GaeqyTdu2damaaBaaaleaapeGaaGimaaWdaeqaaaaa@38C8@   MathType@MTEF@5@5@+= feaahGart1ev3aqatCvAUfeBSjuyZL2yd9gzLbvyNv2CaerbuLwBLn hiov2DGi1BTfMBaeXatLxBI9gBaerbd9wDYLwzYbItLDharqqtubsr 4rNCHbGeaGqiVu0Je9sqqrpepC0xbbL8F4rqqrFfpeea0xe9Lq=Jc9 vqaqpepm0xbba9pwe9Q8fs0=yqaqpepae9pg0FirpepeKkFr0xfr=x fr=xb9adbaqaaeGaciGaaiaabeqaamaabaabaaGcbaqefmuySLMyYL gaiuaajugqbabaaaaaaaaapeGaa83eGaaa@3A54@  абсолютная диэлектрическая проницаемость вакуума, ε 0 =8,85 10 12 MathType@MTEF@5@5@+= feaahGart1ev3aqatCvAUfeBSjuyZL2yd9gzLbvyNv2CaerbuLwBLn hiov2DGi1BTfMBaeXatLxBI9gBaerbd9wDYLwzYbItLDharqqtubsr 4rNCHbGeaGqiVCI8FfYJH8YrFfeuY=Hhbbf9v8qqaqFr0xc9pk0xbb a9q8WqFfeaY=biLkVcLq=JHqpepeea0=as0Fb9pgeaYRXxe9vr0=vr 0=vqpWqaaeaabiGaciaacaqabeaadaqaaqaaaOqaaabaaaaaaaaape GaeqyTdu2damaaBaaaleaapeGaaGimaaWdaeqaaOWdbiabg2da9iaa iIdacaGGSaGaaGioaiaaiwdacqGHflY1caaIXaGaaGima8aadaahaa Wcbeqaa8qacqGHsislcaaIXaGaaGOmaaaaaaa@434A@  Ф/м [7];

Е MathType@MTEF@5@5@+= feaahGart1ev3aqatCvAUfeBSjuyZL2yd9gzLbvyNv2CaerbuLwBLn hiov2DGi1BTfMBaeXatLxBI9gBaerbd9wDYLwzYbItLDharqqtubsr 4rNCHbGeaGqiVCI8FfYJH8YrFfeuY=Hhbbf9v8qqaqFr0xc9pk0xbb a9q8WqFfeaY=biLkVcLq=JHqpepeea0=as0Fb9pgeaYRXxe9vr0=vr 0=vqpWqaaeaabiGaciaacaqabeaadaqaaqaaaOqaaabaaaaaaaaape Gaamyfeaaa@36AB@   MathType@MTEF@5@5@+= feaahGart1ev3aqatCvAUfeBSjuyZL2yd9gzLbvyNv2CaerbuLwBLn hiov2DGi1BTfMBaeXatLxBI9gBaerbd9wDYLwzYbItLDharqqtubsr 4rNCHbGeaGqiVu0Je9sqqrpepC0xbbL8F4rqqrFfpeea0xe9Lq=Jc9 vqaqpepm0xbba9pwe9Q8fs0=yqaqpepae9pg0FirpepeKkFr0xfr=x fr=xb9adbaqaaeGaciGaaiaabeqaamaabaabaaGcbaqefmuySLMyYL gaiuaajugqbabaaaaaaaaapeGaa83eGaaa@3A54@  напряженность электрического поля, В/м;

ε MathType@MTEF@5@5@+= feaahGart1ev3aqatCvAUfeBSjuyZL2yd9gzLbvyNv2CaerbuLwBLn hiov2DGi1BTfMBaeXatLxBI9gBaerbd9wDYLwzYbItLDharqqtubsr 4rNCHbGeaGqiVCI8FfYJH8YrFfeuY=Hhbbf9v8qqaqFr0xc9pk0xbb a9q8WqFfeaY=biLkVcLq=JHqpepeea0=as0Fb9pgeaYRXxe9vr0=vr 0=vqpWqaaeaabiGaciaacaqabeaadaqaaqaaaOqaaabaaaaaaaaape GaeqyTdugaaa@37B4@   MathType@MTEF@5@5@+= feaahGart1ev3aqatCvAUfeBSjuyZL2yd9gzLbvyNv2CaerbuLwBLn hiov2DGi1BTfMBaeXatLxBI9gBaerbd9wDYLwzYbItLDharqqtubsr 4rNCHbGeaGqiVu0Je9sqqrpepC0xbbL8F4rqqrFfpeea0xe9Lq=Jc9 vqaqpepm0xbba9pwe9Q8fs0=yqaqpepae9pg0FirpepeKkFr0xfr=x fr=xb9adbaqaaeGaciGaaiaabeqaamaabaabaaGcbaqefmuySLMyYL gaiuaajugqbabaaaaaaaaapeGaa83eGaaa@3A54@  относительная диэлектрическая проницаемость, о.е.

Относительная диэлектрическая проницаемость ε в выражении (1) будет показывать, во сколько раз поле ослабляется диэлектриком, количественно характеризуя свойство диэлектрика поляризоваться в электрическом поле [5]. Процессы поляризации обуславливаются протеканиями токов внутри семени, вследствие которых и поглощается энергия от источника поля [8]. Количество же этой поглощенной энергии будет сильно зависеть, в том числе, от напряженности и частоты сети (1), что также подтверждено в [9, 10].

У всех диэлектрических материалов в большей или меньшей степени проявляется электрическая проводимость. Появление электропроводности обусловлено тем, что под воздействием не меняющегося во времени напряжения, такие материалы пропускают очень незначительный ток. Количественно электропроводность характеризуется удельной объёмной проводимостью γоб куба размером 1 × 1 × 1 м, причем, постоянный ток проходит через куб между двумя противоположными гранями [11]:

γ об = І SE MathType@MTEF@5@5@+= feaahGart1ev3aqatCvAUfeBSjuyZL2yd9gzLbvyNv2CaerbuLwBLn hiov2DGi1BTfMBaeXatLxBI9gBaerbd9wDYLwzYbItLDharqqtubsr 4rNCHbGeaGqiVCI8FfYJH8YrFfeuY=Hhbbf9v8qqaqFr0xc9pk0xbb a9q8WqFfeaY=biLkVcLq=JHqpepeea0=as0Fb9pgeaYRXxe9vr0=vr 0=vqpWqaaeaabiGaciaacaqabeaadaqaaqaaaOqaaabaaaaaaaaape Gaeq4SdC2damaaBaaaleaapeGaaeOpeiaabgdba8aabeaak8qacqGH 9aqpdaWcaaWdaeaapeGaamObeaWdaeaapeGaam4uaiaadweaaaaaaa@3D2A@ ,                                                                                                                                          (2)

где І MathType@MTEF@5@5@+= feaahGart1ev3aqatCvAUfeBSjuyZL2yd9gzLbvyNv2CaerbuLwBLn hiov2DGi1BTfMBaeXatLxBI9gBaerbd9wDYLwzYbItLDharqqtubsr 4rNCHbGeaGqiVCI8FfYJH8YrFfeuY=Hhbbf9v8qqaqFr0xc9pk0xbb a9q8WqFfeaY=biLkVcLq=JHqpepeea0=as0Fb9pgeaYRXxe9vr0=vr 0=vqpWqaaeaabiGaciaacaqabeaadaqaaqaaaOqaaabaaaaaaaaape GaamObeaaa@369C@   MathType@MTEF@5@5@+= feaahGart1ev3aqatCvAUfeBSjuyZL2yd9gzLbvyNv2CaerbuLwBLn hiov2DGi1BTfMBaeXatLxBI9gBaerbd9wDYLwzYbItLDharqqtubsr 4rNCHbGeaGqiVu0Je9sqqrpepC0xbbL8F4rqqrFfpeea0xe9Lq=Jc9 vqaqpepm0xbba9pwe9Q8fs0=yqaqpepae9pg0FirpepeKkFr0xfr=x fr=xb9adbaqaaeGaciGaaiaabeqaamaabaabaaGcbaqefmuySLMyYL gaiuaajugqbabaaaaaaaaapeGaa83eGaaa@3A54@  сила тока, А;

S MathType@MTEF@5@5@+= feaahGart1ev3aqatCvAUfeBSjuyZL2yd9gzLbvyNv2CaerbuLwBLn hiov2DGi1BTfMBaeXatLxBI9gBaerbd9wDYLwzYbItLDharqqtubsr 4rNCHbGeaGqiVCI8FfYJH8YrFfeuY=Hhbbf9v8qqaqFr0xc9pk0xbb a9q8WqFfeaY=biLkVcLq=JHqpepeea0=as0Fb9pgeaYRXxe9vr0=vr 0=vqpWqaaeaabiGaciaacaqabeaadaqaaqaaaOqaaabaaaaaaaaape Gaam4uaaaa@36E5@   MathType@MTEF@5@5@+= feaahGart1ev3aqatCvAUfeBSjuyZL2yd9gzLbvyNv2CaerbuLwBLn hiov2DGi1BTfMBaeXatLxBI9gBaerbd9wDYLwzYbItLDharqqtubsr 4rNCHbGeaGqiVu0Je9sqqrpepC0xbbL8F4rqqrFfpeea0xe9Lq=Jc9 vqaqpepm0xbba9pwe9Q8fs0=yqaqpepae9pg0FirpepeKkFr0xfr=x fr=xb9adbaqaaeGaciGaaiaabeqaamaabaabaaGcbaqefmuySLMyYL gaiuaajugqbabaaaaaaaaapeGaa83eGaaa@3A54@  площадь поперечного сечения, м2;

Е MathType@MTEF@5@5@+= feaahGart1ev3aqatCvAUfeBSjuyZL2yd9gzLbvyNv2CaerbuLwBLn hiov2DGi1BTfMBaeXatLxBI9gBaerbd9wDYLwzYbItLDharqqtubsr 4rNCHbGeaGqiVCI8FfYJH8YrFfeuY=Hhbbf9v8qqaqFr0xc9pk0xbb a9q8WqFfeaY=biLkVcLq=JHqpepeea0=as0Fb9pgeaYRXxe9vr0=vr 0=vqpWqaaeaabiGaciaacaqabeaadaqaaqaaaOqaaabaaaaaaaaape Gaamyfeaaa@36AB@   MathType@MTEF@5@5@+= feaahGart1ev3aqatCvAUfeBSjuyZL2yd9gzLbvyNv2CaerbuLwBLn hiov2DGi1BTfMBaeXatLxBI9gBaerbd9wDYLwzYbItLDharqqtubsr 4rNCHbGeaGqiVu0Je9sqqrpepC0xbbL8F4rqqrFfpeea0xe9Lq=Jc9 vqaqpepm0xbba9pwe9Q8fs0=yqaqpepae9pg0FirpepeKkFr0xfr=x fr=xb9adbaqaaeGaciGaaiaabeqaamaabaabaaGcbaqefmuySLMyYL gaiuaajugqbabaaaaaaaaapeGaa83eGaaa@3A54@  напряженность электрического поля, В/м;

В прикладных целях электропроводность можно характеризовать величиной обратной удельной объёмной проводимости по физическому смыслу, а именно, удельным объемным электрическим сопротивлением ρv [11]:

ρ v = RS l MathType@MTEF@5@5@+= feaahGart1ev3aqatCvAUfeBSjuyZL2yd9gzLbvyNv2CaerbuLwBLn hiov2DGi1BTfMBaeXatLxBI9gBaerbd9wDYLwzYbItLDharqqtubsr 4rNCHbGeaGqiVCI8FfYJH8YrFfeuY=Hhbbf9v8qqaqFr0xc9pk0xbb a9q8WqFfeaY=biLkVcLq=JHqpepeea0=as0Fb9pgeaYRXxe9vr0=vr 0=vqpWqaaeaabiGaciaacaqabeaadaqaaqaaaOqaaabaaaaaaaaape GaaeyWd8aadaWgaaWcbaWdbiaabAhaa8aabeaak8qacqGH9aqpdaWc aaWdaeaapeGaamOuaiabgwSixlaadofaa8aabaWdbiaadYgaaaaaaa@3EFF@ ,                                                                                                                                        (3)

где R MathType@MTEF@5@5@+= feaahGart1ev3aqatCvAUfeBSjuyZL2yd9gzLbvyNv2CaerbuLwBLn hiov2DGi1BTfMBaeXatLxBI9gBaerbd9wDYLwzYbItLDharqqtubsr 4rNCHbGeaGqiVCI8FfYJH8YrFfeuY=Hhbbf9v8qqaqFr0xc9pk0xbb a9q8WqFfeaY=biLkVcLq=JHqpepeea0=as0Fb9pgeaYRXxe9vr0=vr 0=vqpWqaaeaabiGaciaacaqabeaadaqaaqaaaOqaaabaaaaaaaaape GaamOuaaaa@36E4@   MathType@MTEF@5@5@+= feaahGart1ev3aqatCvAUfeBSjuyZL2yd9gzLbvyNv2CaerbuLwBLn hiov2DGi1BTfMBaeXatLxBI9gBaerbd9wDYLwzYbItLDharqqtubsr 4rNCHbGeaGqiVu0Je9sqqrpepC0xbbL8F4rqqrFfpeea0xe9Lq=Jc9 vqaqpepm0xbba9pwe9Q8fs0=yqaqpepae9pg0FirpepeKkFr0xfr=x fr=xb9adbaqaaeGaciGaaiaabeqaamaabaabaaGcbaqefmuySLMyYL gaiuaajugqbabaaaaaaaaapeGaa83eGaaa@3A54@  объемное сопротивление исследуемого образца, Ом;

l MathType@MTEF@5@5@+= feaahGart1ev3aqatCvAUfeBSjuyZL2yd9gzLbvyNv2CaerbuLwBLn hiov2DGi1BTfMBaeXatLxBI9gBaerbd9wDYLwzYbItLDharqqtubsr 4rNCHbGeaGqiVu0Je9sqqrpepC0xbbL8F4rqqrFfpeea0xe9Lq=Jc9 vqaqpepm0xbba9pwe9Q8fs0=yqaqpepae9pg0FirpepeKkFr0xfr=x fr=xb9adbaqaaeGaciGaaiaabeqaamaabaabaaGcbaqefmuySLMyYL gaiuaajugqbabaaaaaaaaapeGaa83eGaaa@3A54@  толщина образца, м.

Конечной целью при операциях обрушивания семян клещевины и разделения её рушанки является получение чистого ядра без присутствия в нём лузги. На эффективность этих операций с использованием электрофизических способов воздействия будут влиять электрические свойства отдельных компонентов семян (лузги и ядра семени) с учётом их влажности и температуры. При этом, необходимо учитывать тот факт, что с повышением температуры и влажности удельное объёмное сопротивление таких материалов сильно уменьшается. У нейтральных диэлектриков (абсолютно сухой материал лузги и ядра семян клещевины) диэлектрическая проницаемость слабо зависит от температуры, а у полярных (влага) MathType@MTEF@5@5@+= feaahGart1ev3aqatCvAUfeBSjuyZL2yd9gzLbvyNv2CaerbuLwBLn hiov2DGi1BTfMBaeXatLxBI9gBaerbd9wDYLwzYbItLDharqqtubsr 4rNCHbGeaGqiVu0Je9sqqrpepC0xbbL8F4rqqrFfpeea0xe9Lq=Jc9 vqaqpepm0xbba9pwe9Q8fs0=yqaqpepae9pg0FirpepeKkFr0xfr=x fr=xb9adbaqaaeGaciGaaiaabeqaamaabaabaaGcbaqefmuySLMyYL gaiuaajugqbabaaaaaaaaapeGaa83eGaaa@3A54@  возрастает с увеличением температуры [12].

В общем понимании, поляризация обуславливается протеканием через диэлектрик токов под действием приложенного к ней напряжения [13]. Но существует большое количество видов поляризации, в результате чего протекают и разные токи в таком диэлектрике [14]. Виды протекающих поляризаций, конечно же, будут зависеть от вида диэлектрика.

Для семян клещевины или их компонентов (лузга и ядро), общий ток, который будет проходить через них под действием приложенного синусоидального напряжения, будет складываться из следующих составляющих:

1. Токов, обусловленных ионной и электронной поляризацией семян. Такие виды поляризации присущи всем твердым диэлектрикам (такими являются и семена клещевины). Явления носят чисто упругий характер, поэтому при таких поляризациях создается только реактивный ток емкостного характера [14]. Наличие процессов ионной и электронной поляризации в семенах сельскохозяйственных культур подтверждается и в [15].

2. Токов, обусловленных дипольной и структурной поляризацией семян. Дипольная поляризация присуща всем полярным диэлектрикам, а структурная MathType@MTEF@5@5@+= feaahGart1ev3aqatCvAUfeBSjuyZL2yd9gzLbvyNv2CaerbuLwBLn hiov2DGi1BTfMBaeXatLxBI9gBaerbd9wDYLwzYbItLDharqqtubsr 4rNCHbGeaGqiVu0Je9sqqrpepC0xbbL8F4rqqrFfpeea0xe9Lq=Jc9 vqaqpepm0xbba9pwe9Q8fs0=yqaqpepae9pg0FirpepeKkFr0xfr=x fr=xb9adbaqaaeGaciGaaiaabeqaamaabaabaaGcbaqefmuySLMyYL gaiuaajugqbabaaaaaaaaapeGaa83eGaaa@3A54@  связана с неоднородностью диэлектрика (наличие примесей, слоистость диэлектрика), помещенного в электрическое поле [14]. Все семена сельскохозяйственных культур имеют сложную слоисто-неоднородную структуру [16], что объясняет присутствие структурной поляризации. Семена клещевины обладают определенной начальной влажностью. Кроме этого, в процессе увлажнения их показатель влажности будет увеличиваться. С учётом [15], влагу в семенах можно рассматривать, как полярный диэлектрик, которому будет присуще явление дипольной поляризации.

3. Тока сквозной проводимости, обусловленного его протеканием по каналам сплошной проводимости в общей структуре диэлектрика. Все диэлектрические материалы под воздействием постоянного напряжения пропускают некоторый незначительный ток, называемый током утечки [7].

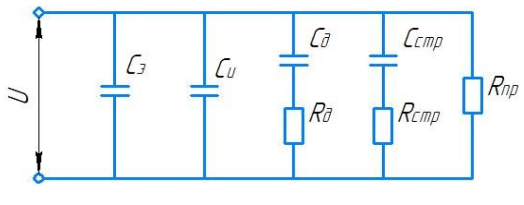
Учитывая изложенное, можно определить эквивалентную схему замещения (рис.1) такого диэлектрика (для ядра и лузги семян клещевины).

 

Рис. 1. Эквивалентная электрическая схема замещения для лузги и ядра семян клещевины: Сэ – ёмкость, обусловленная электронной поляризацией; Си – ёмкость, обусловленная ионной поляризацией; Сд, Rд – ёмкость и сопротивление, обусловленное дипольной поляризацией; Сстр, Rстр – ёмкость и сопротивление, обусловленное структурной поляризацией; Rпр – сопротивление току сквозной проводимости

 

Результаты исследований. При расчете параметров схемы замещения вводим упрощения:

1. Ионная и электронная поляризации относятся к процессам быстрой поляризации, поэтому расчет ёмкости, обусловленной электронной и ионной поляризацией Сэи, будет производиться в целом для этих двух процессов.

2. Дипольная и структурная поляризация относятся к процессам медленной поляризации, поэтому расчет ёмкости Сд.стр и Rд.стр сопротивления, обусловленных дипольной и структурной поляризацией, будет также производиться в целом для этих двух процессов.

Учитывая введенные упрощения, составлена упрощенная эквивалентная электрическая схема замещения для лузги и ядра семян клещевины (рис. 2).

 

 

Рис. 2. Упрощенная эквивалентная электрическая схема для ядра и лузги для семян клещевины: Сэи  ёмкость, обусловленная электронной и ионной поляризацией; Сд.стр, Rд.стр —  ёмкость и сопротивление, обусловленное дипольной и структурной поляризацией

 

Емкость, обусловленную электронной и ионной поляризацией С эи MathType@MTEF@5@5@+= feaahGart1ev3aqatCvAUfeBSjuyZL2yd9gzLbvyNv2CaerbuLwBLn hiov2DGi1BTfMBaeXatLxBI9gBaerbd9wDYLwzYbItLDharqqtubsr 4rNCHbGeaGqiVCI8FfYJH8YrFfeuY=Hhbbf9v8qqaqFr0xc9pk0xbb a9q8WqFfeaY=biLkVcLq=JHqpepeea0=as0Fb9pgeaYRXxe9vr0=vr 0=vqpWqaaeaabiGaciaacaqabeaadaqaaqaaaOqaaabaaaaaaaaape Gaamyie8aadaWgaaWcbaWdbiaad2ebcaWG4qaapaqabaaaaa@38A8@ , будем определять методом комплексных проводимостей при подключении к источнику переменного тока. Используя такой метод, для схемы (рис. 2), полная проводимость Y MathType@MTEF@5@5@+= feaahGart1ev3aqatCvAUfeBSjuyZL2yd9gzLbvyNv2CaerbuLwBLn hiov2DGi1BTfMBaeXatLxBI9gBaerbd9wDYLwzYbItLDharqqtubsr 4rNCHbGeaGqiVCI8FfYJH8YrFfeuY=Hhbbf9v8qqaqFr0xc9pk0xbb a9q8WqFfeaY=biLkVcLq=JHqpepeea0=as0Fb9pgeaYRXxe9vr0=vr 0=vqpWqaaeaabiGaciaacaqabeaadaqaaqaaaOqaaabaaaaaaaaape Gaamywaaaa@36EB@  выразится выражением:

Y= 1 jω C эи + 1 R пр + 1 R д.стр j ω C д.стр MathType@MTEF@5@5@+= feaahGart1ev3aqatCvAUfeBSjuyZL2yd9gzLbvyNv2CaerbuLwBLn hiov2DGi1BTfMBaeXatLxBI9gBaerbd9wDYLwzYbItLDharqqtubsr 4rNCHbGeaGqiVCI8FfYJH8YrFfeuY=Hhbbf9v8qqaqFr0xc9pk0xbb a9q8WqFfeaY=biLkVcLq=JHqpepeea0=as0Fb9pgeaYRXxe9vr0=vr 0=vqpWqaaeaabiGaciaacaqabeaadaqaaqaaaOqaaabaaaaaaaaape Gaamywaiabg2da9iabgkHiTmaalaaapaqaa8qacaaIXaaapaqaa8qa caWGQbGaeqyYdCNaam4qa8aadaWgaaWcbaWdbiaad2ebcaWG4qaapa qabaaaaOWdbiabgUcaRmaalaaapaqaa8qacaaIXaaapaqaa8qacaWG sbWdamaaBaaaleaapeGaam4peiaadceba8aabeaaaaGcpeGaey4kaS YaaSaaa8aabaWdbiaaigdaa8aabaWdbiaadkfapaWaaSbaaSqaa8qa caWG0qGaaiOlaiaadgebcaWGcrGaamiqeaWdaeqaaOWdbiabgkHiTm aabmaapaqaa8qadaWcaaWdaeaapeGaamOAaaWdaeaapeGaeqyYdCNa am4qa8aadaWgaaWcbaWdbiaadsdbcaGGUaGaamyqeiaadkebcaWGar aapaqabaaaaaGcpeGaayjkaiaawMcaaaaaaaa@55E8@ ,                                                                          (4)

Умножив числитель и знаменатель третьей составляющей уравнения (4) на R д.стр + j ω C д.стр MathType@MTEF@5@5@+= feaahGart1ev3aqatCvAUfeBSjuyZL2yd9gzLbvyNv2CaerbuLwBLn hiov2DGi1BTfMBaeXatLxBI9gBaerbd9wDYLwzYbItLDharqqtubsr 4rNCHbGeaGqiVCI8FfYJH8YrFfeuY=Hhbbf9v8qqaqFr0xc9pk0xbb a9q8WqFfeaY=biLkVcLq=JHqpepeea0=as0Fb9pgeaYRXxe9vr0=vr 0=vqpWqaaeaabiGaciaacaqabeaadaqaaqaaaOqaaabaaaaaaaaape GaamOua8aadaWgaaWcbaWdbiaadsdbcaGGUaGaamyqeiaadkebcaWG araapaqabaGcpeGaey4kaSYaaeWaa8aabaWdbmaalaaapaqaa8qaca WGQbaapaqaa8qacqaHjpWDcaWGdbWdamaaBaaaleaapeGaamineiaa c6cacaWGbrGaamOqeiaadceba8aabeaaaaaak8qacaGLOaGaayzkaa aaaa@45C2@ , получим:

Y== 1 jω C эи + 1 R пр + R д.стр + j ω C д.стр R д.стр 2 + 1   ω 2 C д.стр 2 MathType@MTEF@5@5@+= feaahGart1ev3aqatCvAUfeBSjuyZL2yd9gzLbvyNv2CaerbuLwBLn hiov2DGi1BTfMBaeXatLxBI9gBaerbd9wDYLwzYbItLDharqqtubsr 4rNCHbGeaGqiVCI8FfYJH8YrFfeuY=Hhbbf9v8qqaqFr0xc9pk0xbb a9q8WqFfeaY=biLkVcLq=JHqpepeea0=as0Fb9pgeaYRXxe9vr0=vr 0=vqpWqaaeaabiGaciaacaqabeaadaqaaqaaaOqaaabaaaaaaaaape Gaamywaiabg2da9iabg2da9iabgkHiTmaalaaapaqaa8qacaaIXaaa paqaa8qacaWGQbGaeqyYdCNaam4qa8aadaWgaaWcbaWdbiaad2ebca WG4qaapaqabaaaaOWdbiabgUcaRmaalaaapaqaa8qacaaIXaaapaqa a8qacaWGsbWdamaaBaaaleaapeGaam4peiaadceba8aabeaaaaGcpe Gaey4kaSYaaSaaa8aabaWdbiaadkfapaWaaSbaaSqaa8qacaWG0qGa aiOlaiaadgebcaWGcrGaamiqeaWdaeqaaOWdbiabgUcaRmaabmaapa qaa8qadaWcaaWdaeaapeGaamOAaaWdaeaapeGaeqyYdCNaam4qa8aa daWgaaWcbaWdbiaadsdbcaGGUaGaamyqeiaadkebcaWGaraapaqaba aaaaGcpeGaayjkaiaawMcaaaWdaeaapeGaamOua8aadaqhaaWcbaWd biaadsdbcaGGUaGaamyqeiaadkebcaWGaraapaqaa8qacaaIYaaaaO Gaey4kaSYaaeWaa8aabaWdbmaalaaapaqaa8qacaaIXaaapaqaa8qa caGGGcGaeqyYdC3damaaCaaaleqabaWdbiaaikdaaaGccaWGdbWdam aaDaaaleaapeGaamineiaac6cacaWGbrGaamOqeiaadceba8aabaWd biaaikdaaaaaaaGccaGLOaGaayzkaaaaaaaa@6959@ .                                                                    (5)

Вычислим реактивную составляющую проводимости уравнения (5) в комплексной форме

B=jω C эи +j 1 ω C д.стр R д.стр 2 + 1   ω 2 C д.стр 2 MathType@MTEF@5@5@+= feaahGart1ev3aqatCvAUfeBSjuyZL2yd9gzLbvyNv2CaerbuLwBLn hiov2DGi1BTfMBaeXatLxBI9gBaerbd9wDYLwzYbItLDharqqtubsr 4rNCHbGeaGqiVCI8FfYJH8YrFfeuY=Hhbbf9v8qqaqFr0xc9pk0xbb a9q8WqFfeaY=biLkVcLq=JHqpepeea0=as0Fb9pgeaYRXxe9vr0=vr 0=vqpWqaaeaabiGaciaacaqabeaadaqaaqaaaOqaaabaaaaaaaaape GaamOqaiabg2da9iaadQgacqaHjpWDcaWGdbWdamaaBaaaleaapeGa amyteiaadIdba8aabeaak8qacqGHRaWkcaWGQbWaaeWaa8aabaWdbm aalaaapaqaa8qadaqadaWdaeaapeWaaSaaa8aabaWdbiaaigdaa8aa baWdbiabeM8a3jaadoeapaWaaSbaaSqaa8qacaWG0qGaaiOlaiaadg ebcaWGcrGaamiqeaWdaeqaaaaaaOWdbiaawIcacaGLPaaaa8aabaWd biaadkfapaWaa0baaSqaa8qacaWG0qGaaiOlaiaadgebcaWGcrGaam iqeaWdaeaapeGaaGOmaaaakiabgUcaRmaabmaapaqaa8qadaWcaaWd aeaapeGaaGymaaWdaeaapeGaaiiOaiabeM8a39aadaahaaWcbeqaa8 qacaaIYaaaaOGaam4qa8aadaqhaaWcbaWdbiaadsdbcaGGUaGaamyq eiaadkebcaWGaraapaqaa8qacaaIYaaaaaaaaOGaayjkaiaawMcaaa aaaiaawIcacaGLPaaaaaa@5DE8@ .                                                                                   (6)

Так как

B= 1 jω C общ MathType@MTEF@5@5@+= feaahGart1ev3aqatCvAUfeBSjuyZL2yd9gzLbvyNv2CaerbuLwBLn hiov2DGi1BTfMBaeXatLxBI9gBaerbd9wDYLwzYbItLDharqqtubsr 4rNCHbGeaGqiVCI8FfYJH8YrFfeuY=Hhbbf9v8qqaqFr0xc9pk0xbb a9q8WqFfeaY=biLkVcLq=JHqpepeea0=as0Fb9pgeaYRXxe9vr0=vr 0=vqpWqaaeaabiGaciaacaqabeaadaqaaqaaaOqaaabaaaaaaaaape GaamOqaiabg2da9iabgkHiTmaalaaapaqaa8qacaaIXaaapaqaa8qa caWGQbGaeqyYdCNaam4qa8aadaWgaaWcbaWdbiaad6dbcaWGXqGaam yseaWdaeqaaaaaaaa@4001@ ,                                                                                                                (7)

где C общ MathType@MTEF@5@5@+= feaahGart1ev3aqatCvAUfeBSjuyZL2yd9gzLbvyNv2CaerbuLwBLn hiov2DGi1BTfMBaeXatLxBI9gBaerbd9wDYLwzYbItLDharqqtubsr 4rNCHbGeaGqiVCI8FfYJH8YrFfeuY=Hhbbf9v8qqaqFr0xc9pk0xbb a9q8WqFfeaY=biLkVcLq=JHqpepeea0=as0Fb9pgeaYRXxe9vr0=vr 0=vqpWqaaeaabiGaciaacaqabeaadaqaaqaaaOqaaabaaaaaaaaape Gaam4qa8aadaWgaaWcbaWdbiaad6dbcaWGXqGaamyseaWdaeqaaaaa @3982@   MathType@MTEF@5@5@+= feaahGart1ev3aqatCvAUfeBSjuyZL2yd9gzLbvyNv2CaerbuLwBLn hiov2DGi1BTfMBaeXatLxBI9gBaerbd9wDYLwzYbItLDharqqtubsr 4rNCHbGeaGqiVu0Je9sqqrpepC0xbbL8F4rqqrFfpeea0xe9Lq=Jc9 vqaqpepm0xbba9pwe9Q8fs0=yqaqpepae9pg0FirpepeKkFr0xfr=x fr=xb9adbaqaaeGaciGaaiaabeqaamaabaabaaGcbaqefmuySLMyYL gaiuaajugqbabaaaaaaaaapeGaa83eGaaa@3A54@  общая ёмкость в цепи переменного тока для эквивалентной схемы замещения диэлектрика (рис. 2), Ф;

то, подставив уравнение (7) в (6), получим:

ω C общ =ω C эи + 1 ω C д.стр R д.стр 2 + 1 ω C д.стр MathType@MTEF@5@5@+= feaahGart1ev3aqatCvAUfeBSjuyZL2yd9gzLbvyNv2CaerbuLwBLn hiov2DGi1BTfMBaeXatLxBI9gBaerbd9wDYLwzYbItLDharqqtubsr 4rNCHbGeaGqiVCI8FfYJH8YrFfeuY=Hhbbf9v8qqaqFr0xc9pk0xbb a9q8WqFfeaY=biLkVcLq=JHqpepeea0=as0Fb9pgeaYRXxe9vr0=vr 0=vqpWqaaeaabiGaciaacaqabeaadaqaaqaaaOqaaabaaaaaaaaape GaeqyYdCNaam4qa8aadaWgaaWcbaWdbiaad6dbcaWGXqGaamyseaWd aeqaaOWdbiabg2da9iabeM8a3jaadoeapaWaaSbaaSqaa8qacaWGnr GaamioeaWdaeqaaOWdbiabgUcaRmaalaaapaqaa8qacaaIXaaapaqa a8qacqaHjpWDcaWGdbWdamaaDaaaleaapeGaamineiaac6cacaWGbr GaamOqeiaadceba8aabaaaaOWdbiaadkfapaWaa0baaSqaa8qacaWG 0qGaaiOlaiaadgebcaWGcrGaamiqeaWdaeaapeGaaGOmaaaakiabgU caRmaabmaapaqaa8qadaWcaaWdaeaapeGaaGymaaWdaeaapeGaeqyY dCNaam4qa8aadaqhaaWcbaWdbiaadsdbcaGGUaGaamyqeiaadkebca WGaraapaqaaaaaaaaak8qacaGLOaGaayzkaaaaaaaa@5A10@ .                                                                     (8)

Разделив каждую составляющую уравнения (8) на ω MathType@MTEF@5@5@+= feaahGart1ev3aqatCvAUfeBSjuyZL2yd9gzLbvyNv2CaerbuLwBLn hiov2DGi1BTfMBaeXatLxBI9gBaerbd9wDYLwzYbItLDharqqtubsr 4rNCHbGeaGqiVCI8FfYJH8YrFfeuY=Hhbbf9v8qqaqFr0xc9pk0xbb a9q8WqFfeaY=biLkVcLq=JHqpepeea0=as0Fb9pgeaYRXxe9vr0=vr 0=vqpWqaaeaabiGaciaacaqabeaadaqaaqaaaOqaaabaaaaaaaaape GaeqyYdChaaa@37DA@ , получим:

C общ = C эи + 1 ω 2 C д.стр R д.стр 2 + 1 ω C д.стр MathType@MTEF@5@5@+= feaahGart1ev3aqatCvAUfeBSjuyZL2yd9gzLbvyNv2CaerbuLwBLn hiov2DGi1BTfMBaeXatLxBI9gBaerbd9wDYLwzYbItLDharqqtubsr 4rNCHbGeaGqiVCI8FfYJH8YrFfeuY=Hhbbf9v8qqaqFr0xc9pk0xbb a9q8WqFfeaY=biLkVcLq=JHqpepeea0=as0Fb9pgeaYRXxe9vr0=vr 0=vqpWqaaeaabiGaciaacaqabeaadaqaaqaaaOqaaabaaaaaaaaape Gaam4qa8aadaWgaaWcbaWdbiaad6dbcaWGXqGaamyseaWdaeqaaOWd biabg2da9iaadoeapaWaaSbaaSqaa8qacaWGnrGaamioeaWdaeqaaO WdbiabgUcaRmaalaaapaqaa8qacaaIXaaapaqaa8qacqaHjpWDpaWa aWbaaSqabeaapeGaaGOmaaaakiaadoeapaWaa0baaSqaa8qacaWG0q GaaiOlaiaadgebcaWGcrGaamiqeaWdaeaaaaGcpeGaamOua8aadaqh aaWcbaWdbiaadsdbcaGGUaGaamyqeiaadkebcaWGaraapaqaa8qaca aIYaaaaOGaey4kaSYaaeWaa8aabaWdbmaalaaapaqaa8qacaaIXaaa paqaa8qacqaHjpWDcaWGdbWdamaaDaaaleaapeGaamineiaac6caca WGbrGaamOqeiaadceba8aabaaaaaaaaOWdbiaawIcacaGLPaaaaaaa aa@5788@ .                                                                           (9)

С учетом того, что ω=2πf MathType@MTEF@5@5@+= feaahGart1ev3aqatCvAUfeBSjuyZL2yd9gzLbvyNv2CaerbuLwBLn hiov2DGi1BTfMBaeXatLxBI9gBaerbd9wDYLwzYbItLDharqqtubsr 4rNCHbGeaGqiVCI8FfYJH8YrFfeuY=Hhbbf9v8qqaqFr0xc9pk0xbb a9q8WqFfeaY=biLkVcLq=JHqpepeea0=as0Fb9pgeaYRXxe9vr0=vr 0=vqpWqaaeaabiGaciaacaqabeaadaqaaqaaaOqaaabaaaaaaaaape GaeqyYdCNaeyypa0JaaGOmaiabec8aWjaadAgaaaa@3C44@ , ёмкость C эи MathType@MTEF@5@5@+= feaahGart1ev3aqatCvAUfeBSjuyZL2yd9gzLbvyNv2CaerbuLwBLn hiov2DGi1BTfMBaeXatLxBI9gBaerbd9wDYLwzYbItLDharqqtubsr 4rNCHbGeaGqiVCI8FfYJH8YrFfeuY=Hhbbf9v8qqaqFr0xc9pk0xbb a9q8WqFfeaY=biLkVcLq=JHqpepeea0=as0Fb9pgeaYRXxe9vr0=vr 0=vqpWqaaeaabiGaciaacaqabeaadaqaaqaaaOqaaabaaaaaaaaape Gaam4qa8aadaWgaaWcbaWdbiaad2ebcaWG4qaapaqabaaaaa@38C6@ , обусловленная электронной и ионной поляризацией определится так

C эи = C общ 1 4 π 2 f 2 C д.стр R д.стр 2 + 1 C д.стр MathType@MTEF@5@5@+= feaahGart1ev3aqatCvAUfeBSjuyZL2yd9gzLbvyNv2CaerbuLwBLn hiov2DGi1BTfMBaeXatLxBI9gBaerbd9wDYLwzYbItLDharqqtubsr 4rNCHbGeaGqiVCI8FfYJH8YrFfeuY=Hhbbf9v8qqaqFr0xc9pk0xbb a9q8WqFfeaY=biLkVcLq=JHqpepeea0=as0Fb9pgeaYRXxe9vr0=vr 0=vqpWqaaeaabiGaciaacaqabeaadaqaaqaaaOqaaabaaaaaaaaape Gaam4qa8aadaWgaaWcbaWdbiaad2ebcaWG4qaapaqabaGcpeGaeyyp a0Jaam4qa8aadaWgaaWcbaWdbiaad6dbcaWGXqGaamyseaWdaeqaaO WdbiabgkHiTmaalaaapaqaa8qacaaIXaaapaqaa8qacaaI0aGaeqiW da3damaaCaaaleqabaWdbiaaikdaaaGccaWGMbWdamaaCaaaleqaba WdbiaaikdaaaGccaWGdbWdamaaDaaaleaapeGaamineiaac6cacaWG brGaamOqeiaadceba8aabaaaaOWdbiaadkfapaWaa0baaSqaa8qaca WG0qGaaiOlaiaadgebcaWGcrGaamiqeaWdaeaapeGaaGOmaaaakiab gUcaRmaabmaapaqaa8qadaWcaaWdaeaapeGaaGymaaWdaeaapeGaam 4qa8aadaqhaaWcbaWdbiaadsdbcaGGUaGaamyqeiaadkebcaWGaraa paqaaaaaaaaak8qacaGLOaGaayzkaaaaaaaa@5871@ ,                                                                      (10)

где f MathType@MTEF@5@5@+= feaahGart1ev3aqatCvAUfeBSjuyZL2yd9gzLbvyNv2CaerbuLwBLn hiov2DGi1BTfMBaeXatLxBI9gBaerbd9wDYLwzYbItLDharqqtubsr 4rNCHbGeaGqiVCI8FfYJH8YrFfeuY=Hhbbf9v8qqaqFr0xc9pk0xbb a9q8WqFfeaY=biLkVcLq=JHqpepeea0=as0Fb9pgeaYRXxe9vr0=vr 0=vqpWqaaeaabiGaciaacaqabeaadaqaaqaaaOqaaabaaaaaaaaape GaamOzaaaa@36F8@   MathType@MTEF@5@5@+= feaahGart1ev3aqatCvAUfeBSjuyZL2yd9gzLbvyNv2CaerbuLwBLn hiov2DGi1BTfMBaeXatLxBI9gBaerbd9wDYLwzYbItLDharqqtubsr 4rNCHbGeaGqiVu0Je9sqqrpepC0xbbL8F4rqqrFfpeea0xe9Lq=Jc9 vqaqpepm0xbba9pwe9Q8fs0=yqaqpepae9pg0FirpepeKkFr0xfr=x fr=xb9adbaqaaeGaciGaaiaabeqaamaabaabaaGcbaqefmuySLMyYL gaiuaajugqbabaaaaaaaaapeGaa83eGaaa@3A54@  частота сети, Гц.

Активное сопротивление R д.стр MathType@MTEF@5@5@+= feaahGart1ev3aqatCvAUfeBSjuyZL2yd9gzLbvyNv2CaerbuLwBLn hiov2DGi1BTfMBaeXatLxBI9gBaerbd9wDYLwzYbItLDharqqtubsr 4rNCHbGeaGqiVCI8FfYJH8YrFfeuY=Hhbbf9v8qqaqFr0xc9pk0xbb a9q8WqFfeaY=biLkVcLq=JHqpepeea0=as0Fb9pgeaYRXxe9vr0=vr 0=vqpWqaaeaabiGaciaacaqabeaadaqaaqaaaOqaaabaaaaaaaaape GaamOua8aadaWgaaWcbaWdbiaadsdbcaGGUaGaamyqeiaadkebcaWG araapaqabaaaaa@3B0B@  и ёмкость C д.стр MathType@MTEF@5@5@+= feaahGart1ev3aqatCvAUfeBSjuyZL2yd9gzLbvyNv2CaerbuLwBLn hiov2DGi1BTfMBaeXatLxBI9gBaerbd9wDYLwzYbItLDharqqtubsr 4rNCHbGeaGqiVCI8FfYJH8YrFfeuY=Hhbbf9v8qqaqFr0xc9pk0xbb a9q8WqFfeaY=biLkVcLq=JHqpepeea0=as0Fb9pgeaYRXxe9vr0=vr 0=vqpWqaaeaabiGaciaacaqabeaadaqaaqaaaOqaaabaaaaaaaaape Gaam4qa8aadaWgaaWcbaWdbiaadsdbcaGGUaGaamyqeiaadkebcaWG araapaqabaaaaa@3AFC@ , обусловленные структурной и дипольной поляризацией, определим методом комплексных проводимостей при подключении к источнику переменного тока, выразив из уравнения (5) активную составляющую проводимости в комплексной форме

G= 1 R изм = 1 R пр + R д.стр R д.стр 2 + 1 ω C д.стр 2 MathType@MTEF@5@5@+= feaahGart1ev3aqatCvAUfeBSjuyZL2yd9gzLbvyNv2CaerbuLwBLn hiov2DGi1BTfMBaeXatLxBI9gBaerbd9wDYLwzYbItLDharqqtubsr 4rNCHbGeaGqiVCI8FfYJH8YrFfeuY=Hhbbf9v8qqaqFr0xc9pk0xbb a9q8WqFfeaY=biLkVcLq=JHqpepeea0=as0Fb9pgeaYRXxe9vr0=vr 0=vqpWqaaeaabiGaciaacaqabeaadaqaaqaaaOqaaabaaaaaaaaape Gaam4raiabg2da9maalaaapaqaa8qacaaIXaaapaqaa8qacaWGsbWd amaaBaaaleaapeGaamioeiaadEdbcaWG8qaapaqabaaaaOWdbiabg2 da9maalaaapaqaa8qacaaIXaaapaqaa8qacaWGsbWdamaaBaaaleaa peGaam4peiaadceba8aabeaaaaGcpeGaey4kaSYaaSaaa8aabaWdbi aadkfapaWaaSbaaSqaa8qacaWG0qGaaiOlaiaadgebcaWGcrGaamiq eaWdaeqaaaGcbaWdbiaadkfapaWaa0baaSqaa8qacaWG0qGaaiOlai aadgebcaWGcrGaamiqeaWdaeaapeGaaGOmaaaakiabgUcaRmaabmaa paqaa8qadaWcaaWdaeaapeGaaGymaaWdaeaapeGaeqyYdCNaam4qa8 aadaWgaaWcbaWdbiaadsdbcaGGUaGaamyqeiaadkebcaWGaraapaqa baaaaaGcpeGaayjkaiaawMcaa8aadaqhaaWcbaaabaWdbiaaikdaaa aaaaaa@58D3@ ,                                                                                (11)

где R изм MathType@MTEF@5@5@+= feaahGart1ev3aqatCvAUfeBSjuyZL2yd9gzLbvyNv2CaerbuLwBLn hiov2DGi1BTfMBaeXatLxBI9gBaerbd9wDYLwzYbItLDharqqtubsr 4rNCHbGeaGqiVCI8FfYJH8YrFfeuY=Hhbbf9v8qqaqFr0xc9pk0xbb a9q8WqFfeaY=biLkVcLq=JHqpepeea0=as0Fb9pgeaYRXxe9vr0=vr 0=vqpWqaaeaabiGaciaacaqabeaadaqaaqaaaOqaaabaaaaaaaaape GaamOua8aadaWgaaWcbaWdbiaadIdbcaWG3qGaamipeaWdaeqaaaaa @3984@  - измеренное активное сопротивление, Ом.

Введем обозначение Δ MathType@MTEF@5@5@+= feaahGart1ev3aqatCvAUfeBSjuyZL2yd9gzLbvyNv2CaerbuLwBLn hiov2DGi1BTfMBaeXatLxBI9gBaerbd9wDYLwzYbItLDharqqtubsr 4rNCHbGeaGqiVCI8FfYJH8YrFfeuY=Hhbbf9v8qqaqFr0xc9pk0xbb a9q8WqFfeaY=biLkVcLq=JHqpepeea0=as0Fb9pgeaYRXxe9vr0=vr 0=vqpWqaaeaabiGaciaacaqabeaadaqaaqaaaOqaaabaaaaaaaaape GaeuiLdqeaaa@3773@ :

Δ= G 1 R пр = 1 R изм 1 R пр MathType@MTEF@5@5@+= feaahGart1ev3aqatCvAUfeBSjuyZL2yd9gzLbvyNv2CaerbuLwBLn hiov2DGi1BTfMBaeXatLxBI9gBaerbd9wDYLwzYbItLDharqqtubsr 4rNCHbGeaGqiVCI8FfYJH8YrFfeuY=Hhbbf9v8qqaqFr0xc9pk0xbb a9q8WqFfeaY=biLkVcLq=JHqpepeea0=as0Fb9pgeaYRXxe9vr0=vr 0=vqpWqaaeaabiGaciaacaqabeaadaqaaqaaaOqaaabaaaaaaaaape GaeuiLdqKaeyypa0JaaiiOaiaadEeacqGHsisldaWcaaWdaeaapeGa aGymaaWdaeaapeGaamOua8aadaWgaaWcbaWdbiaad+dbcaWGaraapa qabaaaaOWdbiabg2da9maalaaapaqaa8qacaaIXaaapaqaa8qacaWG sbWdamaaBaaaleaapeGaamioeiaadEdbcaWG8qaapaqabaaaaOWdbi abgkHiTmaalaaapaqaa8qacaaIXaaapaqaa8qacaWGsbWdamaaBaaa leaapeGaam4peiaadceba8aabeaaaaaaaa@4993@ .                                                                                                   (12)

Тогда, с учетом выражения (11), получим

Δ R д.стр 2 +Δ 1 ω C д.стр 2 = R д.стр MathType@MTEF@5@5@+= feaahGart1ev3aqatCvAUfeBSjuyZL2yd9gzLbvyNv2CaerbuLwBLn hiov2DGi1BTfMBaeXatLxBI9gBaerbd9wDYLwzYbItLDharqqtubsr 4rNCHbGeaGqiVCI8FfYJH8YrFfeuY=Hhbbf9v8qqaqFr0xc9pk0xbb a9q8WqFfeaY=biLkVcLq=JHqpepeea0=as0Fb9pgeaYRXxe9vr0=vr 0=vqpWqaaeaabiGaciaacaqabeaadaqaaqaaaOqaaabaaaaaaaaape GaeuiLdqKaamOua8aadaqhaaWcbaWdbiaadsdbcaGGUaGaamyqeiaa dkebcaWGaraapaqaa8qacaaIYaaaaOGaey4kaSIaeuiLdq0aaeWaa8 aabaWdbmaalaaapaqaa8qacaaIXaaapaqaa8qacqaHjpWDcaWGdbWd amaaBaaaleaapeGaamineiaac6cacaWGbrGaamOqeiaadceba8aabe aaaaaak8qacaGLOaGaayzkaaWdamaaCaaaleqabaWdbiaaikdaaaGc cqGH9aqpcaWGsbWdamaaBaaaleaapeGaamineiaac6cacaWGbrGaam Oqeiaadceba8aabeaaaaa@502D@ .                                                                                             (13)

Определим 1 ω C д.стр 2 MathType@MTEF@5@5@+= feaahGart1ev3aqatCvAUfeBSjuyZL2yd9gzLbvyNv2CaerbuLwBLn hiov2DGi1BTfMBaeXatLxBI9gBaerbd9wDYLwzYbItLDharqqtubsr 4rNCHbGeaGqiVCI8FfYJH8YrFfeuY=Hhbbf9v8qqaqFr0xc9pk0xbb a9q8WqFfeaY=biLkVcLq=JHqpepeea0=as0Fb9pgeaYRXxe9vr0=vr 0=vqpWqaaeaabiGaciaacaqabeaadaqaaqaaaOqaaabaaaaaaaaape WaaeWaa8aabaWdbmaalaaapaqaa8qacaaIXaaapaqaa8qacqaHjpWD caWGdbWdamaaBaaaleaapeGaamineiaac6cacaWGbrGaamOqeiaadc eba8aabeaaaaaak8qacaGLOaGaayzkaaWdamaaCaaaleqabaWdbiaa ikdaaaaaaa@409C@  из выражения (13):

1 ω C д.стр 2 = R д.стр Δ R д.стр 2 MathType@MTEF@5@5@+= feaahGart1ev3aqatCvAUfeBSjuyZL2yd9gzLbvyNv2CaerbuLwBLn hiov2DGi1BTfMBaeXatLxBI9gBaerbd9wDYLwzYbItLDharqqtubsr 4rNCHbGeaGqiVCI8FfYJH8YrFfeuY=Hhbbf9v8qqaqFr0xc9pk0xbb a9q8WqFfeaY=biLkVcLq=JHqpepeea0=as0Fb9pgeaYRXxe9vr0=vr 0=vqpWqaaeaabiGaciaacaqabeaadaqaaqaaaOqaaabaaaaaaaaape WaaeWaa8aabaWdbmaalaaapaqaa8qacaaIXaaapaqaa8qacqaHjpWD caWGdbWdamaaBaaaleaapeGaamineiaac6cacaWGbrGaamOqeiaadc eba8aabeaaaaaak8qacaGLOaGaayzkaaWdamaaCaaaleqabaWdbiaa ikdaaaGccqGH9aqpdaWcaaWdaeaapeGaamOua8aadaWgaaWcbaWdbi aadsdbcaGGUaGaamyqeiaadkebcaWGaraapaqabaaakeaapeGaeuiL dqeaaiabgkHiTiaadkfapaWaa0baaSqaa8qacaWG0qGaaiOlaiaadg ebcaWGcrGaamiqeaWdaeaapeGaaGOmaaaaaaa@4F11@ .                                                                                                   (14)

Если при ω 1 MathType@MTEF@5@5@+= feaahGart1ev3aqatCvAUfeBSjuyZL2yd9gzLbvyNv2CaerbuLwBLn hiov2DGi1BTfMBaeXatLxBI9gBaerbd9wDYLwzYbItLDharqqtubsr 4rNCHbGeaGqiVCI8FfYJH8YrFfeuY=Hhbbf9v8qqaqFr0xc9pk0xbb a9q8WqFfeaY=biLkVcLq=JHqpepeea0=as0Fb9pgeaYRXxe9vr0=vr 0=vqpWqaaeaabiGaciaacaqabeaadaqaaqaaaOqaaabaaaaaaaaape GaeqyYdC3damaaBaaaleaapeGaaGymaaWdaeqaaaaa@38EF@  измеряем R изм1 MathType@MTEF@5@5@+= feaahGart1ev3aqatCvAUfeBSjuyZL2yd9gzLbvyNv2CaerbuLwBLn hiov2DGi1BTfMBaeXatLxBI9gBaerbd9wDYLwzYbItLDharqqtubsr 4rNCHbGeaGqiVCI8FfYJH8YrFfeuY=Hhbbf9v8qqaqFr0xc9pk0xbb a9q8WqFfeaY=biLkVcLq=JHqpepeea0=as0Fb9pgeaYRXxe9vr0=vr 0=vqpWqaaeaabiGaciaacaqabeaadaqaaqaaaOqaaabaaaaaaaaape GaamOua8aadaWgaaWcbaWdbiaadIdbcaWG3qGaamipeiaaigdaa8aa beaaaaa@3A3F@ , а при ω 2 MathType@MTEF@5@5@+= feaahGart1ev3aqatCvAUfeBSjuyZL2yd9gzLbvyNv2CaerbuLwBLn hiov2DGi1BTfMBaeXatLxBI9gBaerbd9wDYLwzYbItLDharqqtubsr 4rNCHbGeaGqiVCI8FfYJH8YrFfeuY=Hhbbf9v8qqaqFr0xc9pk0xbb a9q8WqFfeaY=biLkVcLq=JHqpepeea0=as0Fb9pgeaYRXxe9vr0=vr 0=vqpWqaaeaabiGaciaacaqabeaadaqaaqaaaOqaaabaaaaaaaaape GaeqyYdC3damaaBaaaleaapeGaaGOmaaWdaeqaaaaa@38F0@  измеряем R изм2 MathType@MTEF@5@5@+= feaahGart1ev3aqatCvAUfeBSjuyZL2yd9gzLbvyNv2CaerbuLwBLn hiov2DGi1BTfMBaeXatLxBI9gBaerbd9wDYLwzYbItLDharqqtubsr 4rNCHbGeaGqiVCI8FfYJH8YrFfeuY=Hhbbf9v8qqaqFr0xc9pk0xbb a9q8WqFfeaY=biLkVcLq=JHqpepeea0=as0Fb9pgeaYRXxe9vr0=vr 0=vqpWqaaeaabiGaciaacaqabeaadaqaaqaaaOqaaabaaaaaaaaape GaamOua8aadaWgaaWcbaWdbiaadIdbcaWG3qGaamipeiaaikdaa8aa beaaaaa@3A40@ , то получаем систему уравнений:

1 C д.стр 2 = ω 1 2 R д.стр Δ 1 ω 1 R д.стр 2 1 C д.стр 2 = ω 2 2 R д.стр Δ 2 ω 2 R д.стр 2 MathType@MTEF@5@5@+= feaahGart1ev3aqatCvAUfeBSjuyZL2yd9gzLbvyNv2CaerbuLwBLn hiov2DGi1BTfMBaeXatLxBI9gBaerbd9wDYLwzYbItLDharqqtubsr 4rNCHbGeaGqiVCI8FfYJH8YrFfeuY=Hhbbf9v8qqaqFr0xc9pk0xbb a9q8WqFfeaY=biLkVcLq=JHqpepeea0=as0Fb9pgeaYRXxe9vr0=vr 0=vqpWqaaeaabiGaciaacaqabeaadaqaaqaaaOqaaabaaaaaaaaape Waaiqaa8aabaqbaeqabiqaaaqaa8qadaqadaWdaeaapeWaaSaaa8aa baWdbiaaigdaa8aabaWdbiaadoeapaWaaSbaaSqaa8qacaWG0qGaai OlaiaadgebcaWGcrGaamiqeaWdaeqaaaaaaOWdbiaawIcacaGLPaaa paWaaWbaaSqabeaapeGaaGOmaaaakiabg2da9maalaaapaqaa8qacq aHjpWDpaWaa0baaSqaa8qacaaIXaaapaqaa8qacaaIYaaaaOGaamOu a8aadaWgaaWcbaWdbiaadsdbcaGGUaGaamyqeiaadkebcaWGaraapa qabaaakeaapeGaeuiLdq0damaaBaaaleaapeGaaGymaaWdaeqaaaaa k8qacqGHsisldaqadaWdaeaapeGaeqyYdC3damaaBaaaleaapeGaaG ymaaWdaeqaaOWdbiaadkfapaWaaSbaaSqaa8qacaWG0qGaaiOlaiaa dgebcaWGcrGaamiqeaWdaeqaaaGcpeGaayjkaiaawMcaa8aadaahaa Wcbeqaa8qacaaIYaaaaaGcpaqaa8qadaqadaWdaeaapeWaaSaaa8aa baWdbiaaigdaa8aabaWdbiaadoeapaWaaSbaaSqaa8qacaWG0qGaai OlaiaadgebcaWGcrGaamiqeaWdaeqaaaaaaOWdbiaawIcacaGLPaaa paWaaWbaaSqabeaapeGaaGOmaaaakiabg2da9maalaaapaqaa8qacq aHjpWDpaWaa0baaSqaa8qacaaIYaaapaqaa8qacaaIYaaaaOGaamOu a8aadaWgaaWcbaWdbiaadsdbcaGGUaGaamyqeiaadkebcaWGaraapa qabaaakeaapeGaeuiLdq0damaaBaaaleaapeGaaGOmaaWdaeqaaaaa k8qacqGHsisldaqadaWdaeaapeGaeqyYdC3damaaBaaaleaapeGaaG OmaaWdaeqaaOWdbiaadkfapaWaaSbaaSqaa8qacaWG0qGaaiOlaiaa dgebcaWGcrGaamiqeaWdaeqaaaGcpeGaayjkaiaawMcaa8aadaahaa Wcbeqaa8qacaaIYaaaaaaaaOGaay5Eaaaaaa@79B9@ .                                                                                  (15)

где ω 1 =2π f 1 MathType@MTEF@5@5@+= feaahGart1ev3aqatCvAUfeBSjuyZL2yd9gzLbvyNv2CaerbuLwBLn hiov2DGi1BTfMBaeXatLxBI9gBaerbd9wDYLwzYbItLDharqqtubsr 4rNCHbGeaGqiVCI8FfYJH8YrFfeuY=Hhbbf9v8qqaqFr0xc9pk0xbb a9q8WqFfeaY=biLkVcLq=JHqpepeea0=as0Fb9pgeaYRXxe9vr0=vr 0=vqpWqaaeaabiGaciaacaqabeaadaqaaqaaaOqaaabaaaaaaaaape GaeqyYdC3damaaBaaaleaapeGaaGymaaWdaeqaaOWdbiabg2da9iaa ikdacqaHapaCcaWGMbWdamaaBaaaleaapeGaaGymaaWdaeqaaaaa@3E88@ , ω 2 =2π f 2 MathType@MTEF@5@5@+= feaahGart1ev3aqatCvAUfeBSjuyZL2yd9gzLbvyNv2CaerbuLwBLn hiov2DGi1BTfMBaeXatLxBI9gBaerbd9wDYLwzYbItLDharqqtubsr 4rNCHbGeaGqiVCI8FfYJH8YrFfeuY=Hhbbf9v8qqaqFr0xc9pk0xbb a9q8WqFfeaY=biLkVcLq=JHqpepeea0=as0Fb9pgeaYRXxe9vr0=vr 0=vqpWqaaeaabiGaciaacaqabeaadaqaaqaaaOqaaabaaaaaaaaape GaeqyYdC3damaaBaaaleaapeGaaGOmaaWdaeqaaOWdbiabg2da9iaa ikdacqaHapaCcaWGMbWdamaaBaaaleaapeGaaGOmaaWdaeqaaaaa@3E8A@   MathType@MTEF@5@5@+= feaahGart1ev3aqatCvAUfeBSjuyZL2yd9gzLbvyNv2CaerbuLwBLn hiov2DGi1BTfMBaeXatLxBI9gBaerbd9wDYLwzYbItLDharqqtubsr 4rNCHbGeaGqiVu0Je9sqqrpepC0xbbL8F4rqqrFfpeea0xe9Lq=Jc9 vqaqpepm0xbba9pwe9Q8fs0=yqaqpepae9pg0FirpepeKkFr0xfr=x fr=xb9adbaqaaeGaciGaaiaabeqaamaabaabaaGcbaqefmuySLMyYL gaiuaajugqbabaaaaaaaaapeGaa83eGaaa@3A54@  угловая частота при соответствующих частотах сети f 1 MathType@MTEF@5@5@+= feaahGart1ev3aqatCvAUfeBSjuyZL2yd9gzLbvyNv2CaerbuLwBLn hiov2DGi1BTfMBaeXatLxBI9gBaerbd9wDYLwzYbItLDharqqtubsr 4rNCHbGeaGqiVCI8FfYJH8YrFfeuY=Hhbbf9v8qqaqFr0xc9pk0xbb a9q8WqFfeaY=biLkVcLq=JHqpepeea0=as0Fb9pgeaYRXxe9vr0=vr 0=vqpWqaaeaabiGaciaacaqabeaadaqaaqaaaOqaaabaaaaaaaaape GaamOza8aadaWgaaWcbaWdbiaaigdaa8aabeaaaaa@380D@  и f 2 MathType@MTEF@5@5@+= feaahGart1ev3aqatCvAUfeBSjuyZL2yd9gzLbvyNv2CaerbuLwBLn hiov2DGi1BTfMBaeXatLxBI9gBaerbd9wDYLwzYbItLDharqqtubsr 4rNCHbGeaGqiVCI8FfYJH8YrFfeuY=Hhbbf9v8qqaqFr0xc9pk0xbb a9q8WqFfeaY=biLkVcLq=JHqpepeea0=as0Fb9pgeaYRXxe9vr0=vr 0=vqpWqaaeaabiGaciaacaqabeaadaqaaqaaaOqaaabaaaaaaaaape GaamOza8aadaWgaaWcbaWdbiaaikdaa8aabeaaaaa@380E@ , рад/с;

Δ 1 = 1 R изм1 1 R пр MathType@MTEF@5@5@+= feaahGart1ev3aqatCvAUfeBSjuyZL2yd9gzLbvyNv2CaerbuLwBLn hiov2DGi1BTfMBaeXatLxBI9gBaerbd9wDYLwzYbItLDharqqtubsr 4rNCHbGeaGqiVCI8FfYJH8YrFfeuY=Hhbbf9v8qqaqFr0xc9pk0xbb a9q8WqFfeaY=biLkVcLq=JHqpepeea0=as0Fb9pgeaYRXxe9vr0=vr 0=vqpWqaaeaabiGaciaacaqabeaadaqaaqaaaOqaaabaaaaaaaaape GaeuiLdq0damaaBaaaleaapeGaaGymaaWdaeqaaOWdbiabg2da9maa laaapaqaa8qacaaIXaaapaqaa8qacaWGsbWdamaaBaaaleaapeGaam ioeiaadEdbcaWG8qGaaGymaaWdaeqaaaaak8qacqGHsisldaWcaaWd aeaapeGaaGymaaWdaeaapeGaamOua8aadaWgaaWcbaWdbiaad+dbca WGaraapaqabaaaaaaa@43B5@ ; Δ 2 = 1 R изм2 1 R пр MathType@MTEF@5@5@+= feaahGart1ev3aqatCvAUfeBSjuyZL2yd9gzLbvyNv2CaerbuLwBLn hiov2DGi1BTfMBaeXatLxBI9gBaerbd9wDYLwzYbItLDharqqtubsr 4rNCHbGeaGqiVCI8FfYJH8YrFfeuY=Hhbbf9v8qqaqFr0xc9pk0xbb a9q8WqFfeaY=biLkVcLq=JHqpepeea0=as0Fb9pgeaYRXxe9vr0=vr 0=vqpWqaaeaabiGaciaacaqabeaadaqaaqaaaOqaaabaaaaaaaaape GaeuiLdq0damaaBaaaleaapeGaaGOmaaWdaeqaaOWdbiabg2da9maa laaapaqaa8qacaaIXaaapaqaa8qacaWGsbWdamaaBaaaleaapeGaam ioeiaadEdbcaWG8qGaaGOmaaWdaeqaaaaak8qacqGHsisldaWcaaWd aeaapeGaaGymaaWdaeaapeGaamOua8aadaWgaaWcbaWdbiaad+dbca WGaraapaqabaaaaaaa@43B7@ .

Приравниваем первое и второе уравнение системы (15) и получаем:

ω 1 2 R д.стр Δ 1 ω 2 2 R д.стр Δ 2 = ω 1 R д.стр 2 ω 2 R д.стр 2 MathType@MTEF@5@5@+= feaahGart1ev3aqatCvAUfeBSjuyZL2yd9gzLbvyNv2CaerbuLwBLn hiov2DGi1BTfMBaeXatLxBI9gBaerbd9wDYLwzYbItLDharqqtubsr 4rNCHbGeaGqiVCI8FfYJH8YrFfeuY=Hhbbf9v8qqaqFr0xc9pk0xbb a9q8WqFfeaY=biLkVcLq=JHqpepeea0=as0Fb9pgeaYRXxe9vr0=vr 0=vqpWqaaeaabiGaciaacaqabeaadaqaaqaaaOqaaabaaaaaaaaape WaaSaaa8aabaWdbiabeM8a39aadaqhaaWcbaWdbiaaigdaa8aabaWd biaaikdaaaGccaWGsbWdamaaBaaaleaapeGaamineiaac6cacaWGbr GaamOqeiaadceba8aabeaaaOqaa8qacqqHuoarpaWaaSbaaSqaa8qa caaIXaaapaqabaaaaOWdbiabgkHiTmaalaaapaqaa8qacqaHjpWDpa Waa0baaSqaa8qacaaIYaaapaqaa8qacaaIYaaaaOGaamOua8aadaWg aaWcbaWdbiaadsdbcaGGUaGaamyqeiaadkebcaWGaraapaqabaaake aapeGaeuiLdq0damaaBaaaleaapeGaaGOmaaWdaeqaaaaak8qacqGH 9aqpdaqadaWdaeaapeGaeqyYdC3damaaBaaaleaapeGaaGymaaWdae qaaOWdbiaadkfapaWaaSbaaSqaa8qacaWG0qGaaiOlaiaadgebcaWG crGaamiqeaWdaeqaaaGcpeGaayjkaiaawMcaa8aadaahaaWcbeqaa8 qacaaIYaaaaOGaeyOeI0YaaeWaa8aabaWdbiabeM8a39aadaWgaaWc baWdbiaaikdaa8aabeaak8qacaWGsbWdamaaBaaaleaapeGaaminei aac6cacaWGbrGaamOqeiaadceba8aabeaaaOWdbiaawIcacaGLPaaa paWaaWbaaSqabeaapeGaaGOmaaaaaaa@65AC@ .                                                                (16)

Каждое слагаемое в выражении (16) разделим на R д.стр MathType@MTEF@5@5@+= feaahGart1ev3aqatCvAUfeBSjuyZL2yd9gzLbvyNv2CaerbuLwBLn hiov2DGi1BTfMBaeXatLxBI9gBaerbd9wDYLwzYbItLDharqqtubsr 4rNCHbGeaGqiVCI8FfYJH8YrFfeuY=Hhbbf9v8qqaqFr0xc9pk0xbb a9q8WqFfeaY=biLkVcLq=JHqpepeea0=as0Fb9pgeaYRXxe9vr0=vr 0=vqpWqaaeaabiGaciaacaqabeaadaqaaqaaaOqaaabaaaaaaaaape GaamOua8aadaWgaaWcbaWdbiaadsdbcaGGUaGaamyqeiaadkebcaWG araapaqabaaaaa@3B0B@  и получим:

ω 1 2 Δ 1 ω 2 2 Δ 2 = R д.стр ω 1 2 ω 2 2 MathType@MTEF@5@5@+= feaahGart1ev3aqatCvAUfeBSjuyZL2yd9gzLbvyNv2CaerbuLwBLn hiov2DGi1BTfMBaeXatLxBI9gBaerbd9wDYLwzYbItLDharqqtubsr 4rNCHbGeaGqiVCI8FfYJH8YrFfeuY=Hhbbf9v8qqaqFr0xc9pk0xbb a9q8WqFfeaY=biLkVcLq=JHqpepeea0=as0Fb9pgeaYRXxe9vr0=vr 0=vqpWqaaeaabiGaciaacaqabeaadaqaaqaaaOqaaabaaaaaaaaape WaaSaaa8aabaWdbiabeM8a39aadaqhaaWcbaWdbiaaigdaa8aabaWd biaaikdaaaaak8aabaWdbiabfs5ae9aadaWgaaWcbaWdbiaaigdaa8 aabeaaaaGcpeGaeyOeI0YaaSaaa8aabaWdbiabeM8a39aadaqhaaWc baWdbiaaikdaa8aabaWdbiaaikdaaaaak8aabaWdbiabfs5ae9aada WgaaWcbaWdbiaaikdaa8aabeaaaaGcpeGaeyypa0JaamOua8aadaWg aaWcbaWdbiaadsdbcaGGUaGaamyqeiaadkebcaWGaraapaqabaGcpe WaaeWaa8aabaWdbiabeM8a39aadaqhaaWcbaWdbiaaigdaa8aabaWd biaaikdaaaGccqGHsislcqaHjpWDpaWaa0baaSqaa8qacaaIYaaapa qaa8qacaaIYaaaaaGccaGLOaGaayzkaaaaaa@545A@                                                                                                       (17)

Из формулы (17) определяем общее активное сопротивление дипольной и структурной поляризации R д.стр MathType@MTEF@5@5@+= feaahGart1ev3aqatCvAUfeBSjuyZL2yd9gzLbvyNv2CaerbuLwBLn hiov2DGi1BTfMBaeXatLxBI9gBaerbd9wDYLwzYbItLDharqqtubsr 4rNCHbGeaGqiVCI8FfYJH8YrFfeuY=Hhbbf9v8qqaqFr0xc9pk0xbb a9q8WqFfeaY=biLkVcLq=JHqpepeea0=as0Fb9pgeaYRXxe9vr0=vr 0=vqpWqaaeaabiGaciaacaqabeaadaqaaqaaaOqaaabaaaaaaaaape GaamOua8aadaWgaaWcbaWdbiaadsdbcaGGUaGaamyqeiaadkebcaWG araapaqabaaaaa@3B0B@ :

R д.стр = ω 1 2 Δ 1 ω 2 2 Δ 2 ω 1 2 ω 2 2 MathType@MTEF@5@5@+= feaahGart1ev3aqatCvAUfeBSjuyZL2yd9gzLbvyNv2CaerbuLwBLn hiov2DGi1BTfMBaeXatLxBI9gBaerbd9wDYLwzYbItLDharqqtubsr 4rNCHbGeaGqiVCI8FfYJH8YrFfeuY=Hhbbf9v8qqaqFr0xc9pk0xbb a9q8WqFfeaY=biLkVcLq=JHqpepeea0=as0Fb9pgeaYRXxe9vr0=vr 0=vqpWqaaeaabiGaciaacaqabeaadaqaaqaaaOqaaabaaaaaaaaape GaamOua8aadaWgaaWcbaWdbiaadsdbcaGGUaGaamyqeiaadkebcaWG araapaqabaGcpeGaeyypa0ZaaSaaa8aabaWdbmaalaaapaqaa8qacq aHjpWDpaWaa0baaSqaa8qacaaIXaaapaqaa8qacaaIYaaaaaGcpaqa a8qacqqHuoarpaWaaSbaaSqaa8qacaaIXaaapaqabaaaaOWdbiabgk HiTmaalaaapaqaa8qacqaHjpWDpaWaa0baaSqaa8qacaaIYaaapaqa a8qacaaIYaaaaaGcpaqaa8qacqqHuoarpaWaaSbaaSqaa8qacaaIYa aapaqabaaaaaGcbaWdbmaabmaapaqaa8qacqaHjpWDpaWaa0baaSqa a8qacaaIXaaapaqaa8qacaaIYaaaaOGaeyOeI0IaeqyYdC3damaaDa aaleaapeGaaGOmaaWdaeaapeGaaGOmaaaaaOGaayjkaiaawMcaaaaa aaa@5489@ .                                                                                                                       (18)

Емкость дипольной и структурной поляризации C д.стр MathType@MTEF@5@5@+= feaahGart1ev3aqatCvAUfeBSjuyZL2yd9gzLbvyNv2CaerbuLwBLn hiov2DGi1BTfMBaeXatLxBI9gBaerbd9wDYLwzYbItLDharqqtubsr 4rNCHbGeaGqiVCI8FfYJH8YrFfeuY=Hhbbf9v8qqaqFr0xc9pk0xbb a9q8WqFfeaY=biLkVcLq=JHqpepeea0=as0Fb9pgeaYRXxe9vr0=vr 0=vqpWqaaeaabiGaciaacaqabeaadaqaaqaaaOqaaabaaaaaaaaape Gaam4qa8aadaWgaaWcbaWdbiaadsdbcaGGUaGaamyqeiaadkebcaWG araapaqabaaaaa@3AFC@  будем определять из уравнения (11) с учётом частоты сети f 1 MathType@MTEF@5@5@+= feaahGart1ev3aqatCvAUfeBSjuyZL2yd9gzLbvyNv2CaerbuLwBLn hiov2DGi1BTfMBaeXatLxBI9gBaerbd9wDYLwzYbItLDharqqtubsr 4rNCHbGeaGqiVCI8FfYJH8YrFfeuY=Hhbbf9v8qqaqFr0xc9pk0xbb a9q8WqFfeaY=biLkVcLq=JHqpepeea0=as0Fb9pgeaYRXxe9vr0=vr 0=vqpWqaaeaabiGaciaacaqabeaadaqaaqaaaOqaaabaaaaaaaaape GaamOza8aadaWgaaWcbaWdbiaaigdaa8aabeaaaaa@380D@  (уравнение 15). Для этого, используя уравнение (18), выразим составляющую 1 ω 1 C д.стр 2 MathType@MTEF@5@5@+= feaahGart1ev3aqatCvAUfeBSjuyZL2yd9gzLbvyNv2CaerbuLwBLn hiov2DGi1BTfMBaeXatLxBI9gBaerbd9wDYLwzYbItLDharqqtubsr 4rNCHbGeaGqiVCI8FfYJH8YrFfeuY=Hhbbf9v8qqaqFr0xc9pk0xbb a9q8WqFfeaY=biLkVcLq=JHqpepeea0=as0Fb9pgeaYRXxe9vr0=vr 0=vqpWqaaeaabiGaciaacaqabeaadaqaaqaaaOqaaabaaaaaaaaape WaaeWaa8aabaWdbmaalaaapaqaa8qacaaIXaaapaqaa8qacqaHjpWD paWaaSbaaSqaa8qacaaIXaaapaqabaGcpeGaam4qa8aadaWgaaWcba WdbiaadsdbcaGGUaGaamyqeiaadkebcaWGaraapaqabaaaaaGcpeGa ayjkaiaawMcaa8aadaqhaaWcbaaabaWdbiaaikdaaaaaaa@41CB@ :

1 ω 1 C д.стр 2 = ω 1 2 Δ 1 ω 2 2 Δ 2 Δ 1 ω 1 2 ω 2 2 ω 1 2 Δ 1 ω 2 2 Δ 2 ω 1 2 ω 2 2 2 MathType@MTEF@5@5@+= feaahGart1ev3aqatCvAUfeBSjuyZL2yd9gzLbvyNv2CaerbuLwBLn hiov2DGi1BTfMBaeXatLxBI9gBaerbd9wDYLwzYbItLDharqqtubsr 4rNCHbGeaGqiVCI8FfYJH8YrFfeuY=Hhbbf9v8qqaqFr0xc9pk0xbb a9q8WqFfeaY=biLkVcLq=JHqpepeea0=as0Fb9pgeaYRXxe9vr0=vr 0=vqpWqaaeaabiGaciaacaqabeaadaqaaqaaaOqaaabaaaaaaaaape WaaeWaa8aabaWdbmaalaaapaqaa8qacaaIXaaapaqaa8qacqaHjpWD paWaaSbaaSqaa8qacaaIXaaapaqabaGcpeGaam4qa8aadaWgaaWcba WdbiaadsdbcaGGUaGaamyqeiaadkebcaWGaraapaqabaaaaaGcpeGa ayjkaiaawMcaa8aadaahaaWcbeqaa8qacaaIYaaaaOGaeyypa0ZaaS aaa8aabaWdbmaalaaapaqaa8qacqaHjpWDpaWaaSbaaSqaa8qacaaI XaaapaqabaGcdaahaaWcbeqaa8qacaaIYaaaaaGcpaqaa8qacqqHuo arpaWaaSbaaSqaa8qacaaIXaaapaqabaaaaOWdbiabgkHiTmaalaaa paqaa8qacqaHjpWDpaWaaSbaaSqaa8qacaaIYaaapaqabaGcdaahaa Wcbeqaa8qacaaIYaaaaaGcpaqaa8qacqqHuoarpaWaaSbaaSqaa8qa caaIYaaapaqabaaaaaGcbaWdbiabfs5ae9aadaWgaaWcbaWdbiaaig daa8aabeaak8qadaqadaWdaeaapeGaeqyYdC3damaaBaaaleaapeGa aGymaaWdaeqaaOWaaWbaaSqabeaapeGaaGOmaaaakiabgkHiTiabeM 8a39aadaWgaaWcbaWdbiaaikdaa8aabeaakmaaCaaaleqabaWdbiaa ikdaaaaakiaawIcacaGLPaaaaaGaeyOeI0YaaeWaa8aabaWdbmaala aapaqaa8qadaWcaaWdaeaapeGaeqyYdC3damaaBaaaleaapeGaaGym aaWdaeqaaOWaaWbaaSqabeaapeGaaGOmaaaaaOWdaeaapeGaeuiLdq 0damaaBaaaleaapeGaaGymaaWdaeqaaaaak8qacqGHsisldaWcaaWd aeaapeGaeqyYdC3damaaBaaaleaapeGaaGOmaaWdaeqaaOWaaWbaaS qabeaapeGaaGOmaaaaaOWdaeaapeGaeuiLdq0damaaBaaaleaapeGa aGOmaaWdaeqaaaaaaOqaa8qadaqadaWdaeaapeGaeqyYdC3damaaBa aaleaapeGaaGymaaWdaeqaaOWaaWbaaSqabeaapeGaaGOmaaaakiab gkHiTiabeM8a39aadaWgaaWcbaWdbiaaikdaa8aabeaakmaaCaaale qabaWdbiaaikdaaaaakiaawIcacaGLPaaaaaaacaGLOaGaayzkaaWd amaaCaaaleqabaWdbiaaikdaaaaaaa@7B79@ ,                                                              (19)

или

1 ω 1 C д.стр 2 = ω 1 2 Δ 1 ω 2 2 Δ 2 ω 1 2 ω 2 2 Δ 1 ω 1 2 Δ 1 ω 2 2 Δ 2 ω 1 2 ω 2 2 2 MathType@MTEF@5@5@+= feaahGart1ev3aqatCvAUfeBSjuyZL2yd9gzLbvyNv2CaerbuLwBLn hiov2DGi1BTfMBaeXatLxBI9gBaerbd9wDYLwzYbItLDharqqtubsr 4rNCHbGeaGqiVCI8FfYJH8YrFfeuY=Hhbbf9v8qqaqFr0xc9pk0xbb a9q8WqFfeaY=biLkVcLq=JHqpepeea0=as0Fb9pgeaYRXxe9vr0=vr 0=vqpWqaaeaabiGaciaacaqabeaadaqaaqaaaOqaaabaaaaaaaaape WaaeWaa8aabaWdbmaalaaapaqaa8qacaaIXaaapaqaa8qacqaHjpWD paWaaSbaaSqaa8qacaaIXaaapaqabaGcpeGaam4qa8aadaWgaaWcba WdbiaadsdbcaGGUaGaamyqeiaadkebcaWGaraapaqabaaaaaGcpeGa ayjkaiaawMcaa8aadaahaaWcbeqaa8qacaaIYaaaaOGaeyypa0ZaaS aaa8aabaWdbmaalaaapaqaa8qadaWcaaWdaeaapeGaeqyYdC3damaa BaaaleaapeGaaGymaaWdaeqaaOWaaWbaaSqabeaapeGaaGOmaaaaaO WdaeaapeGaeuiLdq0damaaBaaaleaapeGaaGymaaWdaeqaaaaak8qa cqGHsisldaWcaaWdaeaapeGaeqyYdC3damaaBaaaleaapeGaaGOmaa WdaeqaaOWaaWbaaSqabeaapeGaaGOmaaaaaOWdaeaapeGaeuiLdq0d amaaBaaaleaapeGaaGOmaaWdaeqaaaaaaOqaa8qadaqadaWdaeaape GaeqyYdC3damaaBaaaleaapeGaaGymaaWdaeqaaOWaaWbaaSqabeaa peGaaGOmaaaakiabgkHiTiabeM8a39aadaWgaaWcbaWdbiaaikdaa8 aabeaakmaaCaaaleqabaWdbiaaikdaaaaakiaawIcacaGLPaaaaaaa paqaa8qacqqHuoarpaWaaSbaaSqaa8qacaaIXaaapaqabaaaaOWdbi abgkHiTmaabmaapaqaa8qadaWcaaWdaeaapeWaaSaaa8aabaWdbiab eM8a39aadaWgaaWcbaWdbiaaigdaa8aabeaakmaaCaaaleqabaWdbi aaikdaaaaak8aabaWdbiabfs5ae9aadaWgaaWcbaWdbiaaigdaa8aa beaaaaGcpeGaeyOeI0YaaSaaa8aabaWdbiabeM8a39aadaWgaaWcba Wdbiaaikdaa8aabeaakmaaCaaaleqabaWdbiaaikdaaaaak8aabaWd biabfs5ae9aadaWgaaWcbaWdbiaaikdaa8aabeaaaaaakeaapeWaae Waa8aabaWdbiabeM8a39aadaWgaaWcbaWdbiaaigdaa8aabeaakmaa CaaaleqabaWdbiaaikdaaaGccqGHsislcqaHjpWDpaWaaSbaaSqaa8 qacaaIYaaapaqabaGcdaahaaWcbeqaa8qacaaIYaaaaaGccaGLOaGa ayzkaaaaaaGaayjkaiaawMcaa8aadaahaaWcbeqaa8qacaaIYaaaaa aa@7BC7@ . .                                                                    (20)

иводим к общему знаменателю правую часть уравнения (20)

1 ω 1 C д.стр 2 = ω 1 2 ω 2 2 ω 1 2 Δ 1 ω 2 2 Δ 2 Δ 1 ω 1 2 Δ 1 ω 2 2 Δ 2 2 Δ 1 ω 1 2 ω 2 2 2 MathType@MTEF@5@5@+= feaahGart1ev3aqatCvAUfeBSjuyZL2yd9gzLbvyNv2CaerbuLwBLn hiov2DGi1BTfMBaeXatLxBI9gBaerbd9wDYLwzYbItLDharqqtubsr 4rNCHbGeaGqiVCI8FfYJH8YrFfeuY=Hhbbf9v8qqaqFr0xc9pk0xbb a9q8WqFfeaY=biLkVcLq=JHqpepeea0=as0Fb9pgeaYRXxe9vr0=vr 0=vqpWqaaeaabiGaciaacaqabeaadaqaaqaaaOqaaabaaaaaaaaape WaaeWaa8aabaWdbmaalaaapaqaa8qacaaIXaaapaqaa8qacqaHjpWD paWaaSbaaSqaa8qacaaIXaaapaqabaGcpeGaam4qa8aadaWgaaWcba WdbiaadsdbcaGGUaGaamyqeiaadkebcaWGaraapaqabaaaaaGcpeGa ayjkaiaawMcaa8aadaahaaWcbeqaa8qacaaIYaaaaOGaeyypa0ZaaS aaa8aabaWdbmaabmaapaqaa8qacqaHjpWDpaWaaSbaaSqaa8qacaaI XaaapaqabaGcdaahaaWcbeqaa8qacaaIYaaaaOGaeyOeI0IaeqyYdC 3damaaBaaaleaapeGaaGOmaaWdaeqaaOWaaWbaaSqabeaapeGaaGOm aaaaaOGaayjkaiaawMcaamaabmaapaqaa8qadaWcaaWdaeaapeGaeq yYdC3damaaBaaaleaapeGaaGymaaWdaeqaaOWaaWbaaSqabeaapeGa aGOmaaaaaOWdaeaapeGaeuiLdq0damaaBaaaleaapeGaaGymaaWdae qaaaaak8qacqGHsisldaWcaaWdaeaapeGaeqyYdC3damaaBaaaleaa peGaaGOmaaWdaeqaaOWaaWbaaSqabeaapeGaaGOmaaaaaOWdaeaape GaeuiLdq0damaaBaaaleaapeGaaGOmaaWdaeqaaaaaaOWdbiaawIca caGLPaaacqGHsislcqqHuoarpaWaaSbaaSqaa8qacaaIXaaapaqaba GcpeWaaeWaa8aabaWdbmaalaaapaqaa8qacqaHjpWDpaWaaSbaaSqa a8qacaaIXaaapaqabaGcdaahaaWcbeqaa8qacaaIYaaaaaGcpaqaa8 qacqqHuoarpaWaaSbaaSqaa8qacaaIXaaapaqabaaaaOWdbiabgkHi Tmaalaaapaqaa8qacqaHjpWDpaWaaSbaaSqaa8qacaaIYaaapaqaba GcdaahaaWcbeqaa8qacaaIYaaaaaGcpaqaa8qacqqHuoarpaWaaSba aSqaa8qacaaIYaaapaqabaaaaaGcpeGaayjkaiaawMcaa8aadaahaa Wcbeqaa8qacaaIYaaaaaGcpaqaa8qacqqHuoarpaWaaSbaaSqaa8qa caaIXaaapaqabaGcpeWaaeWaa8aabaWdbiabeM8a39aadaWgaaWcba Wdbiaaigdaa8aabeaakmaaCaaaleqabaWdbiaaikdaaaGccqGHsisl cqaHjpWDpaWaaSbaaSqaa8qacaaIYaaapaqabaGcdaahaaWcbeqaa8 qacaaIYaaaaaGccaGLOaGaayzkaaWdamaaCaaaleqabaWdbiaaikda aaaaaaaa@80B8@ ,                                      (21)

после умножения на ω 1 2 MathType@MTEF@5@5@+= feaahGart1ev3aqatCvAUfeBSjuyZL2yd9gzLbvyNv2CaerbuLwBLn hiov2DGi1BTfMBaeXatLxBI9gBaerbd9wDYLwzYbItLDharqqtubsr 4rNCHbGeaGqiVCI8FfYJH8YrFfeuY=Hhbbf9v8qqaqFr0xc9pk0xbb a9q8WqFfeaY=biLkVcLq=JHqpepeea0=as0Fb9pgeaYRXxe9vr0=vr 0=vqpWqaaeaabiGaciaacaqabeaadaqaaqaaaOqaaabaaaaaaaaape GaeqyYdC3damaaBaaaleaapeGaaGymaaWdaeqaaOWaaWbaaSqabeaa peGaaGOmaaaaaaa@39F2@ , получим:

1 C д.стр 2 = ω 1 2 ω 1 2 ω 2 2 ω 1 2 Δ 1 ω 2 2 Δ 2 Δ 1 ω 1 2 ω 1 2 Δ 1 ω 2 2 Δ 2 2 Δ 1 ω 1 2 ω 2 2 2 MathType@MTEF@5@5@+= feaahGart1ev3aqatCvAUfeBSjuyZL2yd9gzLbvyNv2CaerbuLwBLn hiov2DGi1BTfMBaeXatLxBI9gBaerbd9wDYLwzYbItLDharqqtubsr 4rNCHbGeaGqiVCI8FfYJH8YrFfeuY=Hhbbf9v8qqaqFr0xc9pk0xbb a9q8WqFfeaY=biLkVcLq=JHqpepeea0=as0Fb9pgeaYRXxe9vr0=vr 0=vqpWqaaeaabiGaciaacaqabeaadaqaaqaaaOqaaabaaaaaaaaape WaaeWaa8aabaWdbmaalaaapaqaa8qacaaIXaaapaqaa8qacaWGdbWd amaaBaaaleaapeGaamineiaac6cacaWGbrGaamOqeiaadceba8aabe aaaaaak8qacaGLOaGaayzkaaWdamaaCaaaleqabaWdbiaaikdaaaGc cqGH9aqpdaWcaaWdaeaapeGaeqyYdC3damaaBaaaleaapeGaaGymaa WdaeqaaOWaaWbaaSqabeaapeGaaGOmaaaakmaabmaapaqaa8qacqaH jpWDpaWaaSbaaSqaa8qacaaIXaaapaqabaGcdaahaaWcbeqaa8qaca aIYaaaaOGaeyOeI0IaeqyYdC3damaaBaaaleaapeGaaGOmaaWdaeqa aOWaaWbaaSqabeaapeGaaGOmaaaaaOGaayjkaiaawMcaamaabmaapa qaa8qadaWcaaWdaeaapeGaeqyYdC3damaaBaaaleaapeGaaGymaaWd aeqaaOWaaWbaaSqabeaapeGaaGOmaaaaaOWdaeaapeGaeuiLdq0dam aaBaaaleaapeGaaGymaaWdaeqaaaaak8qacqGHsisldaWcaaWdaeaa peGaeqyYdC3damaaBaaaleaapeGaaGOmaaWdaeqaaOWaaWbaaSqabe aapeGaaGOmaaaaaOWdaeaapeGaeuiLdq0damaaBaaaleaapeGaaGOm aaWdaeqaaaaaaOWdbiaawIcacaGLPaaacqGHsislcqqHuoarpaWaaS baaSqaa8qacaaIXaaapaqabaGcpeGaeqyYdC3damaaBaaaleaapeGa aGymaaWdaeqaaOWaaWbaaSqabeaapeGaaGOmaaaakmaabmaapaqaa8 qadaWcaaWdaeaapeGaeqyYdC3damaaBaaaleaapeGaaGymaaWdaeqa aOWaaWbaaSqabeaapeGaaGOmaaaaaOWdaeaapeGaeuiLdq0damaaBa aaleaapeGaaGymaaWdaeqaaaaak8qacqGHsisldaWcaaWdaeaapeGa eqyYdC3damaaBaaaleaapeGaaGOmaaWdaeqaaOWaaWbaaSqabeaape GaaGOmaaaaaOWdaeaapeGaeuiLdq0damaaBaaaleaapeGaaGOmaaWd aeqaaaaaaOWdbiaawIcacaGLPaaapaWaaWbaaSqabeaapeGaaGOmaa aaaOWdaeaapeGaeuiLdq0damaaBaaaleaapeGaaGymaaWdaeqaaOWd bmaabmaapaqaa8qacqaHjpWDpaWaaSbaaSqaa8qacaaIXaaapaqaba GcdaahaaWcbeqaa8qacaaIYaaaaOGaeyOeI0IaeqyYdC3damaaBaaa leaapeGaaGOmaaWdaeqaaOWaaWbaaSqabeaapeGaaGOmaaaaaOGaay jkaiaawMcaa8aadaahaaWcbeqaa8qacaaIYaaaaaaaaaa@859A@ ,                             (22)

откуда выразим емкость структурной и дипольной поляризации C д.стр MathType@MTEF@5@5@+= feaahGart1ev3aqatCvAUfeBSjuyZL2yd9gzLbvyNv2CaerbuLwBLn hiov2DGi1BTfMBaeXatLxBI9gBaerbd9wDYLwzYbItLDharqqtubsr 4rNCHbGeaGqiVCI8FfYJH8YrFfeuY=Hhbbf9v8qqaqFr0xc9pk0xbb a9q8WqFfeaY=biLkVcLq=JHqpepeea0=as0Fb9pgeaYRXxe9vr0=vr 0=vqpWqaaeaabiGaciaacaqabeaadaqaaqaaaOqaaabaaaaaaaaape Gaam4qa8aadaWgaaWcbaWdbiaadsdbcaGGUaGaamyqeiaadkebcaWG araapaqabaaaaa@3AFC@ :

C д.стр = Δ 1 ω 1 2 ω 2 2 2 ω 1 2 ω 1 2 ω 2 2 ω 1 2 Δ 1 ω 2 2 Δ 2 Δ 1 ω 1 2 ω 1 2 Δ 1 ω 2 2 Δ 2 2 MathType@MTEF@5@5@+= feaahGart1ev3aqatCvAUfeBSjuyZL2yd9gzLbvyNv2CaerbuLwBLn hiov2DGi1BTfMBaeXatLxBI9gBaerbd9wDYLwzYbItLDharqqtubsr 4rNCHbGeaGqiVCI8FfYJH8YrFfeuY=Hhbbf9v8qqaqFr0xc9pk0xbb a9q8WqFfeaY=biLkVcLq=JHqpepeea0=as0Fb9pgeaYRXxe9vr0=vr 0=vqpWqaaeaabiGaciaacaqabeaadaqaaqaaaOqaaabaaaaaaaaape Gaam4qa8aadaWgaaWcbaWdbiaadsdbcaGGUaGaamyqeiaadkebcaWG araapaqabaGcpeGaeyypa0ZaaOaaa8aabaWdbmaalaaapaqaa8qacq qHuoarpaWaaSbaaSqaa8qacaaIXaaapaqabaGcpeWaaeWaa8aabaWd biabeM8a39aadaWgaaWcbaWdbiaaigdaa8aabeaakmaaCaaaleqaba WdbiaaikdaaaGccqGHsislcqaHjpWDpaWaaSbaaSqaa8qacaaIYaaa paqabaGcdaahaaWcbeqaa8qacaaIYaaaaaGccaGLOaGaayzkaaWdam aaCaaaleqabaWdbiaaikdaaaaak8aabaWdbiabeM8a39aadaWgaaWc baWdbiaaigdaa8aabeaakmaaCaaaleqabaWdbiaaikdaaaGcdaqada WdaeaapeGaeqyYdC3damaaBaaaleaapeGaaGymaaWdaeqaaOWaaWba aSqabeaapeGaaGOmaaaakiabgkHiTiabeM8a39aadaWgaaWcbaWdbi aaikdaa8aabeaakmaaCaaaleqabaWdbiaaikdaaaaakiaawIcacaGL PaaadaqadaWdaeaapeWaaSaaa8aabaWdbiabeM8a39aadaWgaaWcba Wdbiaaigdaa8aabeaakmaaCaaaleqabaWdbiaaikdaaaaak8aabaWd biabfs5ae9aadaWgaaWcbaWdbiaaigdaa8aabeaaaaGcpeGaeyOeI0 YaaSaaa8aabaWdbiabeM8a39aadaWgaaWcbaWdbiaaikdaa8aabeaa kmaaCaaaleqabaWdbiaaikdaaaaak8aabaWdbiabfs5ae9aadaWgaa WcbaWdbiaaikdaa8aabeaaaaaak8qacaGLOaGaayzkaaGaeyOeI0Ia euiLdq0damaaBaaaleaapeGaaGymaaWdaeqaaOWdbiabeM8a39aada WgaaWcbaWdbiaaigdaa8aabeaakmaaCaaaleqabaWdbiaaikdaaaGc daqadaWdaeaapeWaaSaaa8aabaWdbiabeM8a39aadaWgaaWcbaWdbi aaigdaa8aabeaakmaaCaaaleqabaWdbiaaikdaaaaak8aabaWdbiab fs5ae9aadaWgaaWcbaWdbiaaigdaa8aabeaaaaGcpeGaeyOeI0YaaS aaa8aabaWdbiabeM8a39aadaWgaaWcbaWdbiaaikdaa8aabeaakmaa CaaaleqabaWdbiaaikdaaaaak8aabaWdbiabfs5ae9aadaWgaaWcba Wdbiaaikdaa8aabeaaaaaak8qacaGLOaGaayzkaaWdamaaCaaaleqa baWdbiaaikdaaaaaaaqabaaaaa@8206@ .                                      (23)

Сопротивление току сквозной проводимости Rпр будем определять методом проводимостей при подключении к источнику постоянной электродвижущей силы Еист. Тогда упрощенная эквивалентная электрическая схема замещения для ядра и лузги семян клещевины (рис. 3) будет иметь вид:

 

Рис. 3. Упрощенная эквивалентная электрическая схема замещения для ядра и лузги клещевины при подключении к источнику постоянной электродвижущей силы (э.д.с) Еист – источник постоянного тока

 

Исходя из определения, что активная проводимость MathType@MTEF@5@5@+= feaahGart1ev3aqatCvAUfeBSjuyZL2yd9gzLbvyNv2CaerbuLwBLn hiov2DGi1BTfMBaeXatLxBI9gBaerbd9wDYLwzYbItLDharqqtubsr 4rNCHbGeaGqiVu0Je9sqqrpepC0xbbL8F4rqqrFfpeea0xe9Lq=Jc9 vqaqpepm0xbba9pwe9Q8fs0=yqaqpepae9pg0FirpepeKkFr0xfr=x fr=xb9adbaqaaeGaciGaaiaabeqaamaabaabaaGcbaqefmuySLMyYL gaiuaajugqbabaaaaaaaaapeGaa83eGaaa@3A54@  это величина, обратная активному сопротивлению, определим общую активную проводимость:

G= 1 R общ = 1 R пр + 1 R д.стр e t τ MathType@MTEF@5@5@+= feaahGart1ev3aqatCvAUfeBSjuyZL2yd9gzLbvyNv2CaerbuLwBLn hiov2DGi1BTfMBaeXatLxBI9gBaerbd9wDYLwzYbItLDharqqtubsr 4rNCHbGeaGqiVCI8FfYJH8YrFfeuY=Hhbbf9v8qqaqFr0xc9pk0xbb a9q8WqFfeaY=biLkVcLq=JHqpepeea0=as0Fb9pgeaYRXxe9vr0=vr 0=vqpWqaaeaabiGaciaacaqabeaadaqaaqaaaOqaaabaaaaaaaaape Gaam4raiabg2da9maalaaapaqaa8qacaaIXaaapaqaa8qacaWGsbWd amaaBaaaleaapeGaamOpeiaadgdbcaWGjraapaqabaaaaOWdbiabg2 da9maalaaapaqaa8qacaaIXaaapaqaa8qacaWGsbWdamaaBaaaleaa peGaam4peiaadceba8aabeaaaaGcpeGaey4kaSYaaSaaa8aabaWdbi aaigdaa8aabaWdbiaadkfapaWaaSbaaSqaa8qacaWG0qGaaiOlaiaa dgebcaWGcrGaamiqeaWdaeqaaOWdbiaadwgapaWaaWbaaSqabeaape WaaSaaa8aabaWdbiaadshaa8aabaWdbiabes8a0baaaaaaaaaa@4CB6@ ,                                                                                                      (24)

где  G MathType@MTEF@5@5@+= feaahGart1ev3aqatCvAUfeBSjuyZL2yd9gzLbvyNv2CaerbuLwBLn hiov2DGi1BTfMBaeXatLxBI9gBaerbd9wDYLwzYbItLDharqqtubsr 4rNCHbGeaGqiVCI8FfYJH8YrFfeuY=Hhbbf9v8qqaqFr0xc9pk0xbb a9q8WqFfeaY=biLkVcLq=JHqpepeea0=as0Fb9pgeaYRXxe9vr0=vr 0=vqpWqaaeaabiGaciaacaqabeaadaqaaqaaaOqaaabaaaaaaaaape GaaiiOaiaadEeaaaa@37FD@   MathType@MTEF@5@5@+= feaahGart1ev3aqatCvAUfeBSjuyZL2yd9gzLbvyNv2CaerbuLwBLn hiov2DGi1BTfMBaeXatLxBI9gBaerbd9wDYLwzYbItLDharqqtubsr 4rNCHbGeaGqiVu0Je9sqqrpepC0xbbL8F4rqqrFfpeea0xe9Lq=Jc9 vqaqpepm0xbba9pwe9Q8fs0=yqaqpepae9pg0FirpepeKkFr0xfr=x fr=xb9adbaqaaeGaciGaaiaabeqaamaabaabaaGcbaqefmuySLMyYL gaiuaajugqbabaaaaaaaaapeGaa83eGaaa@3A54@  активная проводимость, 1/Ом;

R д.стр MathType@MTEF@5@5@+= feaahGart1ev3aqatCvAUfeBSjuyZL2yd9gzLbvyNv2CaerbuLwBLn hiov2DGi1BTfMBaeXatLxBI9gBaerbd9wDYLwzYbItLDharqqtubsr 4rNCHbGeaGqiVCI8FfYJH8YrFfeuY=Hhbbf9v8qqaqFr0xc9pk0xbb a9q8WqFfeaY=biLkVcLq=JHqpepeea0=as0Fb9pgeaYRXxe9vr0=vr 0=vqpWqaaeaabiGaciaacaqabeaadaqaaqaaaOqaaabaaaaaaaaape GaamOua8aadaWgaaWcbaWdbiaadsdbcaGGUaGaamyqeiaadkebcaWG araapaqabaaaaa@3B0B@   MathType@MTEF@5@5@+= feaahGart1ev3aqatCvAUfeBSjuyZL2yd9gzLbvyNv2CaerbuLwBLn hiov2DGi1BTfMBaeXatLxBI9gBaerbd9wDYLwzYbItLDharqqtubsr 4rNCHbGeaGqiVu0Je9sqqrpepC0xbbL8F4rqqrFfpeea0xe9Lq=Jc9 vqaqpepm0xbba9pwe9Q8fs0=yqaqpepae9pg0FirpepeKkFr0xfr=x fr=xb9adbaqaaeGaciGaaiaabeqaamaabaabaaGcbaqefmuySLMyYL gaiuaajugqbabaaaaaaaaapeGaa83eGaaa@3A54@  активное сопротивление, обусловленное структурной и дипольной поляризацией, Ом;

R общ MathType@MTEF@5@5@+= feaahGart1ev3aqatCvAUfeBSjuyZL2yd9gzLbvyNv2CaerbuLwBLn hiov2DGi1BTfMBaeXatLxBI9gBaerbd9wDYLwzYbItLDharqqtubsr 4rNCHbGeaGqiVCI8FfYJH8YrFfeuY=Hhbbf9v8qqaqFr0xc9pk0xbb a9q8WqFfeaY=biLkVcLq=JHqpepeea0=as0Fb9pgeaYRXxe9vr0=vr 0=vqpWqaaeaabiGaciaacaqabeaadaqaaqaaaOqaaabaaaaaaaaape GaamOua8aadaWgaaWcbaWdbiaad6dbcaWGXqGaamyseaWdaeqaaaaa @3991@   MathType@MTEF@5@5@+= feaahGart1ev3aqatCvAUfeBSjuyZL2yd9gzLbvyNv2CaerbuLwBLn hiov2DGi1BTfMBaeXatLxBI9gBaerbd9wDYLwzYbItLDharqqtubsr 4rNCHbGeaGqiVu0Je9sqqrpepC0xbbL8F4rqqrFfpeea0xe9Lq=Jc9 vqaqpepm0xbba9pwe9Q8fs0=yqaqpepae9pg0FirpepeKkFr0xfr=x fr=xb9adbaqaaeGaciGaaiaabeqaamaabaabaaGcbaqefmuySLMyYL gaiuaajugqbabaaaaaaaaapeGaa83eGaaa@3A54@  общее активное сопротивление в цепи постоянной э.д.с.;

R пр MathType@MTEF@5@5@+= feaahGart1ev3aqatCvAUfeBSjuyZL2yd9gzLbvyNv2CaerbuLwBLn hiov2DGi1BTfMBaeXatLxBI9gBaerbd9wDYLwzYbItLDharqqtubsr 4rNCHbGeaGqiVCI8FfYJH8YrFfeuY=Hhbbf9v8qqaqFr0xc9pk0xbb a9q8WqFfeaY=biLkVcLq=JHqpepeea0=as0Fb9pgeaYRXxe9vr0=vr 0=vqpWqaaeaabiGaciaacaqabeaadaqaaqaaaOqaaabaaaaaaaaape GaamOua8aadaWgaaWcbaWdbiaad+dbcaWGaraapaqabaaaaa@38CF@   MathType@MTEF@5@5@+= feaahGart1ev3aqatCvAUfeBSjuyZL2yd9gzLbvyNv2CaerbuLwBLn hiov2DGi1BTfMBaeXatLxBI9gBaerbd9wDYLwzYbItLDharqqtubsr 4rNCHbGeaGqiVu0Je9sqqrpepC0xbbL8F4rqqrFfpeea0xe9Lq=Jc9 vqaqpepm0xbba9pwe9Q8fs0=yqaqpepae9pg0FirpepeKkFr0xfr=x fr=xb9adbaqaaeGaciGaaiaabeqaamaabaabaaGcbaqefmuySLMyYL gaiuaajugqbabaaaaaaaaapeGaa83eGaaa@3A54@  активное сопротивление току сквозной проводимости i пр MathType@MTEF@5@5@+= feaahGart1ev3aqatCvAUfeBSjuyZL2yd9gzLbvyNv2CaerbuLwBLn hiov2DGi1BTfMBaeXatLxBI9gBaerbd9wDYLwzYbItLDharqqtubsr 4rNCHbGeaGqiVCI8FfYJH8YrFfeuY=Hhbbf9v8qqaqFr0xc9pk0xbb a9q8WqFfeaY=biLkVcLq=JHqpepeea0=as0Fb9pgeaYRXxe9vr0=vr 0=vqpWqaaeaabiGaciaacaqabeaadaqaaqaaaOqaaabaaaaaaaaape GaamyAa8aadaWgaaWcbaWdbiaad+dbcaWGaraapaqabaaaaa@38E6@ , Ом;

t MathType@MTEF@5@5@+= feaahGart1ev3aqatCvAUfeBSjuyZL2yd9gzLbvyNv2CaerbuLwBLn hiov2DGi1BTfMBaeXatLxBI9gBaerbd9wDYLwzYbItLDharqqtubsr 4rNCHbGeaGqiVCI8FfYJH8YrFfeuY=Hhbbf9v8qqaqFr0xc9pk0xbb a9q8WqFfeaY=biLkVcLq=JHqpepeea0=as0Fb9pgeaYRXxe9vr0=vr 0=vqpWqaaeaabiGaciaacaqabeaadaqaaqaaaOqaaabaaaaaaaaape GaamiDaaaa@3706@   MathType@MTEF@5@5@+= feaahGart1ev3aqatCvAUfeBSjuyZL2yd9gzLbvyNv2CaerbuLwBLn hiov2DGi1BTfMBaeXatLxBI9gBaerbd9wDYLwzYbItLDharqqtubsr 4rNCHbGeaGqiVu0Je9sqqrpepC0xbbL8F4rqqrFfpeea0xe9Lq=Jc9 vqaqpepm0xbba9pwe9Q8fs0=yqaqpepae9pg0FirpepeKkFr0xfr=x fr=xb9adbaqaaeGaciGaaiaabeqaamaabaabaaGcbaqefmuySLMyYL gaiuaajugqbabaaaaaaaaapeGaa83eGaaa@3A54@  время процесса, с;

τ= R д.стр C д.стр MathType@MTEF@5@5@+= feaahGart1ev3aqatCvAUfeBSjuyZL2yd9gzLbvyNv2CaerbuLwBLn hiov2DGi1BTfMBaeXatLxBI9gBaerbd9wDYLwzYbItLDharqqtubsr 4rNCHbGeaGqiVCI8FfYJH8YrFfeuY=Hhbbf9v8qqaqFr0xc9pk0xbb a9q8WqFfeaY=biLkVcLq=JHqpepeea0=as0Fb9pgeaYRXxe9vr0=vr 0=vqpWqaaeaabiGaciaacaqabeaadaqaaqaaaOqaaabaaaaaaaaape GaaeiXdiabg2da9iaadkfapaWaaSbaaSqaa8qacaWG0qGaaiOlaiaa dgebcaWGcrGaamiqeaWdaeqaaOWdbiabgwSixlaadoeapaWaaSbaaS qaa8qacaWG0qGaaiOlaiaadgebcaWGcrGaamiqeaWdaeqaaaaa@44AE@   MathType@MTEF@5@5@+= feaahGart1ev3aqatCvAUfeBSjuyZL2yd9gzLbvyNv2CaerbuLwBLn hiov2DGi1BTfMBaeXatLxBI9gBaerbd9wDYLwzYbItLDharqqtubsr 4rNCHbGeaGqiVu0Je9sqqrpepC0xbbL8F4rqqrFfpeea0xe9Lq=Jc9 vqaqpepm0xbba9pwe9Q8fs0=yqaqpepae9pg0FirpepeKkFr0xfr=x fr=xb9adbaqaaeGaciGaaiaabeqaamaabaabaaGcbaqefmuySLMyYL gaiuaajugqbabaaaaaaaaapeGaa83eGaaa@3A54@  постоянная времени цепи;

C д.стр MathType@MTEF@5@5@+= feaahGart1ev3aqatCvAUfeBSjuyZL2yd9gzLbvyNv2CaerbuLwBLn hiov2DGi1BTfMBaeXatLxBI9gBaerbd9wDYLwzYbItLDharqqtubsr 4rNCHbGeaGqiVCI8FfYJH8YrFfeuY=Hhbbf9v8qqaqFr0xc9pk0xbb a9q8WqFfeaY=biLkVcLq=JHqpepeea0=as0Fb9pgeaYRXxe9vr0=vr 0=vqpWqaaeaabiGaciaacaqabeaadaqaaqaaaOqaaabaaaaaaaaape Gaam4qa8aadaWgaaWcbaWdbiaadsdbcaGGUaGaamyqeiaadkebcaWG araapaqabaaaaa@3AFC@   MathType@MTEF@5@5@+= feaahGart1ev3aqatCvAUfeBSjuyZL2yd9gzLbvyNv2CaerbuLwBLn hiov2DGi1BTfMBaeXatLxBI9gBaerbd9wDYLwzYbItLDharqqtubsr 4rNCHbGeaGqiVu0Je9sqqrpepC0xbbL8F4rqqrFfpeea0xe9Lq=Jc9 vqaqpepm0xbba9pwe9Q8fs0=yqaqpepae9pg0FirpepeKkFr0xfr=x fr=xb9adbaqaaeGaciGaaiaabeqaamaabaabaaGcbaqefmuySLMyYL gaiuaajugqbabaaaaaaaaapeGaa83eGaaa@3A54@  ёмкость, обусловленная структурной и дипольной поляризацией, Ом.

Тогда, общее активное сопротивление в цепи постоянного тока определится по формуле:

R общ = R пр R д.стр R пр + R д.стр e t R д.стр С д.стр MathType@MTEF@5@5@+= feaahGart1ev3aqatCvAUfeBSjuyZL2yd9gzLbvyNv2CaerbuLwBLn hiov2DGi1BTfMBaeXatLxBI9gBaerbd9wDYLwzYbItLDharqqtubsr 4rNCHbGeaGqiVCI8FfYJH8YrFfeuY=Hhbbf9v8qqaqFr0xc9pk0xbb a9q8WqFfeaY=biLkVcLq=JHqpepeea0=as0Fb9pgeaYRXxe9vr0=vr 0=vqpWqaaeaabiGaciaacaqabeaadaqaaqaaaOqaaabaaaaaaaaape GaamOua8aadaWgaaWcbaWdbiaad6dbcaWGXqGaamyseaWdaeqaaOWd biabg2da9maalaaapaqaa8qacaWGsbWdamaaBaaaleaapeGaam4pei aadceba8aabeaak8qacqGHflY1caWGsbWdamaaBaaaleaapeGaamin eiaac6cacaWGbrGaamOqeiaadceba8aabeaaaOqaa8qacaWGsbWdam aaBaaaleaapeGaam4peiaadceba8aabeaak8qacqGHRaWkcaWGsbWd amaaBaaaleaapeGaamineiaac6cacaWGbrGaamOqeiaadceba8aabe aak8qacaWGLbWdamaaCaaaleqabaWdbmaalaaapaqaa8qacaWG0baa paqaa8qacaWGsbWdamaaBaaameaapeGaamineiaac6cacaWGbrGaam Oqeiaadceba8aabeaaaaWcpeGaeyyXICTaamyie8aadaWgaaadbaWd biaadsdbcaGGUaGaamyqeiaadkebcaWGaraapaqabaaaaaaaaaa@5CA7@ .                                                                                                 (25)

После преобразования получим

R общ R пр = R пр R д.стр R общ R д.стр e t R д.стр С д.стр MathType@MTEF@5@5@+= feaahGart1ev3aqatCvAUfeBSjuyZL2yd9gzLbvyNv2CaerbuLwBLn hiov2DGi1BTfMBaeXatLxBI9gBaerbd9wDYLwzYbItLDharqqtubsr 4rNCHbGeaGqiVCI8FfYJH8YrFfeuY=Hhbbf9v8qqaqFr0xc9pk0xbb a9q8WqFfeaY=biLkVcLq=JHqpepeea0=as0Fb9pgeaYRXxe9vr0=vr 0=vqpWqaaeaabiGaciaacaqabeaadaqaaqaaaOqaaabaaaaaaaaape GaamOua8aadaWgaaWcbaWdbiaad6dbcaWGXqGaamyseaWdaeqaaOWd biabgwSixlaadkfapaWaaSbaaSqaa8qacaWG=qGaamiqeaWdaeqaaO Wdbiabg2da9maabmaapaqaa8qacaWGsbWdamaaBaaaleaapeGaam4p eiaadceba8aabeaak8qacqGHflY1caWGsbWdamaaBaaaleaapeGaam ineiaac6cacaWGbrGaamOqeiaadceba8aabeaak8qacqGHsislcaWG sbWdamaaBaaaleaapeGaamOpeiaadgdbcaWGjraapaqabaGcpeGaey yXICTaamOua8aadaWgaaWcbaWdbiaadsdbcaGGUaGaamyqeiaadkeb caWGaraapaqabaaak8qacaGLOaGaayzkaaGaamyza8aadaahaaWcbe qaa8qadaWcaaWdaeaapeGaamiDaaWdaeaapeGaamOua8aadaWgaaad baWdbiaadsdbcaGGUaGaamyqeiaadkebcaWGaraapaqabaaaaSWdbi abgwSixlaadgcbpaWaaSbaaWqaa8qacaWG0qGaaiOlaiaadgebcaWG crGaamiqeaWdaeqaaaaaaaa@665D@                                                   (26)

Логарифмируем по основанию e MathType@MTEF@5@5@+= feaahGart1ev3aqatCvAUfeBSjuyZL2yd9gzLbvyNv2CaerbuLwBLn hiov2DGi1BTfMBaeXatLxBI9gBaerbd9wDYLwzYbItLDharqqtubsr 4rNCHbGeaGqiVCI8FfYJH8YrFfeuY=Hhbbf9v8qqaqFr0xc9pk0xbb a9q8WqFfeaY=biLkVcLq=JHqpepeea0=as0Fb9pgeaYRXxe9vr0=vr 0=vqpWqaaeaabiGaciaacaqabeaadaqaaqaaaOqaaabaaaaaaaaape Gaamyzaaaa@36F7@ :

ln R общ R пр =ln R пр R д.стр R общ R д.стр + t R д.стр С д.стр MathType@MTEF@5@5@+= feaahGart1ev3aaatCvAUfeBSjuyZL2yd9gzLbvyNv2CaerbuLwBLn hiov2DGi1BTfMBaeXatLxBI9gBaerbd9wDYLwzYbItLDharqqtubsr 4rNCHbGeaGqiVCI8FfYJH8YrFfeuY=Hhbbf9v8qqaqFr0xc9pk0xbb a9q8WqFfeaY=biLkVcLq=JHqpepeea0=as0Fb9pgeaYRXxe9vr0=vr 0=vqpWqaaeaabiGaciaacaqabeaadaqaaqaaaOqaaabaaaaaaaaape GaamiBaiaad6gadaqadaWdaeaapeGaamOua8aadaWgaaWcbaWdbiaa d6dbcaWGXqGaamyseaWdaeqaaOWdbiabgwSixlaadkfapaWaaSbaaS qaa8qacaWG=qGaamiqeaWdaeqaaaGcpeGaayjkaiaawMcaaiabg2da 9iaadYgacaWGUbWaaeWaa8aabaWdbiaadkfapaWaaSbaaSqaa8qaca WG=qGaamiqeaWdaeqaaOWdbiabgwSixlaadkfapaWaaSbaaSqaa8qa caWG0qGaaiOlaiaadgebcaWGcrGaamiqeaWdaeqaaOWdbiabgkHiTi aadkfapaWaaSbaaSqaa8qacaWG+qGaamymeiaadMeba8aabeaak8qa cqGHflY1caWGsbWdamaaBaaaleaapeGaamineiaac6cacaWGbrGaam Oqeiaadceba8aabeaaaOWdbiaawIcacaGLPaaacqGHRaWkdaWcaaWd aeaapeGaamiDaaWdaeaapeGaamOua8aadaWgaaWcbaWdbiaadsdbca GGUaGaamyqeiaadkebcaWGaraapaqabaGcpeGaeyyXICTaamyie8aa daWgaaWcbaWdbiaadsdbcaGGUaGaamyqeiaadkebcaWGaraapaqaba aaaaaa@6B75@ ,                                  (27)

или

ln R общ R пр R пр R д.стр R общ R д.стр = t R д.стр С д.стр MathType@MTEF@5@5@+= feaahGart1ev3aqatCvAUfeBSjuyZL2yd9gzLbvyNv2CaerbuLwBLn hiov2DGi1BTfMBaeXatLxBI9gBaerbd9wDYLwzYbItLDharqqtubsr 4rNCHbGeaGqiVCI8FfYJH8YrFfeuY=Hhbbf9v8qqaqFr0xc9pk0xbb a9q8WqFfeaY=biLkVcLq=JHqpepeea0=as0Fb9pgeaYRXxe9vr0=vr 0=vqpWqaaeaabiGaciaacaqabeaadaqaaqaaaOqaaabaaaaaaaaape GaamiBaiaad6gadaWcaaWdaeaapeGaamOua8aadaWgaaWcbaWdbiaa d6dbcaWGXqGaamyseaWdaeqaaOWdbiabgwSixlaadkfapaWaaSbaaS qaa8qacaWG=qGaamiqeaWdaeqaaaGcbaWdbiaadkfapaWaaSbaaSqa a8qacaWG=qGaamiqeaWdaeqaaOWdbiabgwSixlaadkfapaWaaSbaaS qaa8qacaWG0qGaaiOlaiaadgebcaWGcrGaamiqeaWdaeqaaOWdbiab gkHiTiaadkfapaWaaSbaaSqaa8qacaWG+qGaamymeiaadMeba8aabe aak8qacqGHflY1caWGsbWdamaaBaaaleaapeGaamineiaac6cacaWG brGaamOqeiaadceba8aabeaaaaGcpeGaeyypa0ZaaSaaa8aabaWdbi aadshaa8aabaWdbiaadkfapaWaaSbaaSqaa8qacaWG0qGaaiOlaiaa dgebcaWGcrGaamiqeaWdaeqaaOWdbiabgwSixlaadgcbpaWaaSbaaS qaa8qacaWG0qGaaiOlaiaadgebcaWGcrGaamiqeaWdaeqaaaaaaaa@658F@ .                                                                      (28)

Если при исследованиях через время t 1 MathType@MTEF@5@5@+= feaahGart1ev3aqatCvAUfeBSjuyZL2yd9gzLbvyNv2CaerbuLwBLn hiov2DGi1BTfMBaeXatLxBI9gBaerbd9wDYLwzYbItLDharqqtubsr 4rNCHbGeaGqiVCI8FfYJH8YrFfeuY=Hhbbf9v8qqaqFr0xc9pk0xbb a9q8WqFfeaY=biLkVcLq=JHqpepeea0=as0Fb9pgeaYRXxe9vr0=vr 0=vqpWqaaeaabiGaciaacaqabeaadaqaaqaaaOqaaabaaaaaaaaape GaamiDa8aadaWgaaWcbaWdbiaaigdaa8aabeaaaaa@381B@  измеряем R 1 MathType@MTEF@5@5@+= feaahGart1ev3aqatCvAUfeBSjuyZL2yd9gzLbvyNv2CaerbuLwBLn hiov2DGi1BTfMBaeXatLxBI9gBaerbd9wDYLwzYbItLDharqqtubsr 4rNCHbGeaGqiVCI8FfYJH8YrFfeuY=Hhbbf9v8qqaqFr0xc9pk0xbb a9q8WqFfeaY=biLkVcLq=JHqpepeea0=as0Fb9pgeaYRXxe9vr0=vr 0=vqpWqaaeaabiGaciaacaqabeaadaqaaqaaaOqaaabaaaaaaaaape GaamOua8aadaWgaaWcbaWdbiaaigdaa8aabeaaaaa@37F9@ , а через время t 2 MathType@MTEF@5@5@+= feaahGart1ev3aqatCvAUfeBSjuyZL2yd9gzLbvyNv2CaerbuLwBLn hiov2DGi1BTfMBaeXatLxBI9gBaerbd9wDYLwzYbItLDharqqtubsr 4rNCHbGeaGqiVCI8FfYJH8YrFfeuY=Hhbbf9v8qqaqFr0xc9pk0xbb a9q8WqFfeaY=biLkVcLq=JHqpepeea0=as0Fb9pgeaYRXxe9vr0=vr 0=vqpWqaaeaabiGaciaacaqabeaadaqaaqaaaOqaaabaaaaaaaaape GaamiDa8aadaWgaaWcbaWdbiaaikdaa8aabeaaaaa@381C@  измеряем R 2 MathType@MTEF@5@5@+= feaahGart1ev3aqatCvAUfeBSjuyZL2yd9gzLbvyNv2CaerbuLwBLn hiov2DGi1BTfMBaeXatLxBI9gBaerbd9wDYLwzYbItLDharqqtubsr 4rNCHbGeaGqiVCI8FfYJH8YrFfeuY=Hhbbf9v8qqaqFr0xc9pk0xbb a9q8WqFfeaY=biLkVcLq=JHqpepeea0=as0Fb9pgeaYRXxe9vr0=vr 0=vqpWqaaeaabiGaciaacaqabeaadaqaaqaaaOqaaabaaaaaaaaape GaamOua8aadaWgaaWcbaWdbiaaikdaa8aabeaaaaa@37FA@ , то получаем систему из двух уравнений:

ln R 1 R пр R пр R д.стр R 1 R д.стр = t 1 R д.стр С д.стр ln R 2 R пр R пр R д.стр R 2 R д.стр = t 2 R д.стр С д.стр MathType@MTEF@5@5@+= feaahGart1ev3aqatCvAUfeBSjuyZL2yd9gzLbvyNv2CaerbuLwBLn hiov2DGi1BTfMBaeXatLxBI9gBaerbd9wDYLwzYbItLDharqqtubsr 4rNCHbGeaGqiVCI8FfYJH8YrFfeuY=Hhbbf9v8qqaqFr0xc9pk0xbb a9q8WqFfeaY=biLkVcLq=JHqpepeea0=as0Fb9pgeaYRXxe9vr0=vr 0=vqpWqaaeaabiGaciaacaqabeaadaqaaqaaaOqaaabaaaaaaaaape Waaiqaa8aabaqbaeqabiqaaaqaa8qacaWGSbGaamOBamaalaaapaqa a8qacaWGsbWdamaaBaaaleaapeGaaGymaaWdaeqaaOWdbiabgwSixl aadkfapaWaaSbaaSqaa8qacaWG=qGaamiqeaWdaeqaaaGcbaWdbiaa dkfapaWaaSbaaSqaa8qacaWG=qGaamiqeaWdaeqaaOWdbiabgwSixl aadkfapaWaaSbaaSqaa8qacaWG0qGaaiOlaiaadgebcaWGcrGaamiq eaWdaeqaaOWdbiabgkHiTiaadkfapaWaaSbaaSqaa8qacaaIXaaapa qabaGcpeGaeyyXICTaamOua8aadaWgaaWcbaWdbiaadsdbcaGGUaGa amyqeiaadkebcaWGaraapaqabaaaaOWdbiabg2da9maalaaapaqaa8 qacaWG0bWdamaaBaaaleaapeGaaGymaaWdaeqaaaGcbaWdbiaadkfa paWaaSbaaSqaa8qacaWG0qGaaiOlaiaadgebcaWGcrGaamiqeaWdae qaaOWdbiabgwSixlaadgcbpaWaaSbaaSqaa8qacaWG0qGaaiOlaiaa dgebcaWGcrGaamiqeaWdaeqaaaaaaOqaa8qacaWGSbGaamOBamaala aapaqaa8qacaWGsbWdamaaBaaaleaapeGaaGOmaaWdaeqaaOWdbiab gwSixlaadkfapaWaaSbaaSqaa8qacaWG=qGaamiqeaWdaeqaaaGcba WdbiaadkfapaWaaSbaaSqaa8qacaWG=qGaamiqeaWdaeqaaOWdbiab gwSixlaadkfapaWaaSbaaSqaa8qacaWG0qGaaiOlaiaadgebcaWGcr GaamiqeaWdaeqaaOWdbiabgkHiTiaadkfapaWaaSbaaSqaa8qacaaI YaaapaqabaGcpeGaeyyXICTaamOua8aadaWgaaWcbaWdbiaadsdbca GGUaGaamyqeiaadkebcaWGaraapaqabaaaaOWdbiabg2da9maalaaa paqaa8qacaWG0bWdamaaBaaaleaapeGaaGOmaaWdaeqaaaGcbaWdbi aadkfapaWaaSbaaSqaa8qacaWG0qGaaiOlaiaadgebcaWGcrGaamiq eaWdaeqaaOWdbiabgwSixlaadgcbpaWaaSbaaSqaa8qacaWG0qGaai OlaiaadgebcaWGcrGaamiqeaWdaeqaaaaaaaaak8qacaGL7baaaaa@924E@ .                                                                                    (29)

е R 1 MathType@MTEF@5@5@+= feaahGart1ev3aqatCvAUfeBSjuyZL2yd9gzLbvyNv2CaerbuLwBLn hiov2DGi1BTfMBaeXatLxBI9gBaerbd9wDYLwzYbItLDharqqtubsr 4rNCHbGeaGqiVCI8FfYJH8YrFfeuY=Hhbbf9v8qqaqFr0xc9pk0xbb a9q8WqFfeaY=biLkVcLq=JHqpepeea0=as0Fb9pgeaYRXxe9vr0=vr 0=vqpWqaaeaabiGaciaacaqabeaadaqaaqaaaOqaaabaaaaaaaaape GaamOua8aadaWgaaWcbaWdbiaaigdaa8aabeaaaaa@37F9@   MathType@MTEF@5@5@+= feaahGart1ev3aqatCvAUfeBSjuyZL2yd9gzLbvyNv2CaerbuLwBLn hiov2DGi1BTfMBaeXatLxBI9gBaerbd9wDYLwzYbItLDharqqtubsr 4rNCHbGeaGqiVu0Je9sqqrpepC0xbbL8F4rqqrFfpeea0xe9Lq=Jc9 vqaqpepm0xbba9pwe9Q8fs0=yqaqpepae9pg0FirpepeKkFr0xfr=x fr=xb9adbaqaaeGaciGaaiaabeqaamaabaabaaGcbaqefmuySLMyYL gaiuaajugqbabaaaaaaaaapeGaa83eGaaa@3A54@  измеренное активное сопротивление в диэлектрике в момент времени t 1 MathType@MTEF@5@5@+= feaahGart1ev3aqatCvAUfeBSjuyZL2yd9gzLbvyNv2CaerbuLwBLn hiov2DGi1BTfMBaeXatLxBI9gBaerbd9wDYLwzYbItLDharqqtubsr 4rNCHbGeaGqiVCI8FfYJH8YrFfeuY=Hhbbf9v8qqaqFr0xc9pk0xbb a9q8WqFfeaY=biLkVcLq=JHqpepeea0=as0Fb9pgeaYRXxe9vr0=vr 0=vqpWqaaeaabiGaciaacaqabeaadaqaaqaaaOqaaabaaaaaaaaape GaamiDa8aadaWgaaWcbaWdbiaaigdaa8aabeaaaaa@381B@ , Ом;

R 2 MathType@MTEF@5@5@+= feaahGart1ev3aqatCvAUfeBSjuyZL2yd9gzLbvyNv2CaerbuLwBLn hiov2DGi1BTfMBaeXatLxBI9gBaerbd9wDYLwzYbItLDharqqtubsr 4rNCHbGeaGqiVCI8FfYJH8YrFfeuY=Hhbbf9v8qqaqFr0xc9pk0xbb a9q8WqFfeaY=biLkVcLq=JHqpepeea0=as0Fb9pgeaYRXxe9vr0=vr 0=vqpWqaaeaabiGaciaacaqabeaadaqaaqaaaOqaaabaaaaaaaaape GaamOua8aadaWgaaWcbaWdbiaaikdaa8aabeaaaaa@37FA@   MathType@MTEF@5@5@+= feaahGart1ev3aqatCvAUfeBSjuyZL2yd9gzLbvyNv2CaerbuLwBLn hiov2DGi1BTfMBaeXatLxBI9gBaerbd9wDYLwzYbItLDharqqtubsr 4rNCHbGeaGqiVu0Je9sqqrpepC0xbbL8F4rqqrFfpeea0xe9Lq=Jc9 vqaqpepm0xbba9pwe9Q8fs0=yqaqpepae9pg0FirpepeKkFr0xfr=x fr=xb9adbaqaaeGaciGaaiaabeqaamaabaabaaGcbaqefmuySLMyYL gaiuaajugqbabaaaaaaaaapeGaa83eGaaa@3A54@  измеренное активное сопротивление в диэлектрике в момент времени t 2 MathType@MTEF@5@5@+= feaahGart1ev3aqatCvAUfeBSjuyZL2yd9gzLbvyNv2CaerbuLwBLn hiov2DGi1BTfMBaeXatLxBI9gBaerbd9wDYLwzYbItLDharqqtubsr 4rNCHbGeaGqiVCI8FfYJH8YrFfeuY=Hhbbf9v8qqaqFr0xc9pk0xbb a9q8WqFfeaY=biLkVcLq=JHqpepeea0=as0Fb9pgeaYRXxe9vr0=vr 0=vqpWqaaeaabiGaciaacaqabeaadaqaaqaaaOqaaabaaaaaaaaape GaamiDa8aadaWgaaWcbaWdbiaaikdaa8aabeaaaaa@381C@ , Ом.

Отсюда:

t 2 t 1 = ln R 2 R пр R пр R д.стр R 2 R д.стр ln R 1 R пр R пр R д.стр R 1 R д.стр MathType@MTEF@5@5@+= feaahGart1ev3aqatCvAUfeBSjuyZL2yd9gzLbvyNv2CaerbuLwBLn hiov2DGi1BTfMBaeXatLxBI9gBaerbd9wDYLwzYbItLDharqqtubsr 4rNCHbGeaGqiVCI8FfYJH8YrFfeuY=Hhbbf9v8qqaqFr0xc9pk0xbb a9q8WqFfeaY=biLkVcLq=JHqpepeea0=as0Fb9pgeaYRXxe9vr0=vr 0=vqpWqaaeaabiGaciaacaqabeaadaqaaqaaaOqaaabaaaaaaaaape WaaSaaa8aabaWdbiaadshapaWaaSbaaSqaa8qacaaIYaaapaqabaaa keaapeGaamiDa8aadaWgaaWcbaWdbiaaigdaa8aabeaaaaGcpeGaey ypa0JaaiiOaiaadYgacaWGUbWaaSaaa8aabaWdbiaadkfapaWaaSba aSqaa8qacaaIYaaapaqabaGcpeGaeyyXICTaamOua8aadaWgaaWcba Wdbiaad+dbcaWGaraapaqabaaakeaapeGaamOua8aadaWgaaWcbaWd biaad+dbcaWGaraapaqabaGcpeGaeyyXICTaamOua8aadaWgaaWcba WdbiaadsdbcaGGUaGaamyqeiaadkebcaWGaraapaqabaGcpeGaeyOe I0IaamOua8aadaWgaaWcbaWdbiaaikdaa8aabeaak8qacqGHflY1ca WGsbWdamaaBaaaleaapeGaamineiaac6cacaWGbrGaamOqeiaadceb a8aabeaaaaGcpeGaeyOeI0IaamiBaiaad6gadaWcaaWdaeaapeGaam Oua8aadaWgaaWcbaWdbiaaigdaa8aabeaak8qacqGHflY1caWGsbWd amaaBaaaleaapeGaam4peiaadceba8aabeaaaOqaa8qacaWGsbWdam aaBaaaleaapeGaam4peiaadceba8aabeaak8qacqGHflY1caWGsbWd amaaBaaaleaapeGaamineiaac6cacaWGbrGaamOqeiaadceba8aabe aak8qacqGHsislcaWGsbWdamaaBaaaleaapeGaaGymaaWdaeqaaOWd biabgwSixlaadkfapaWaaSbaaSqaa8qacaWG0qGaaiOlaiaadgebca WGcrGaamiqeaWdaeqaaaaaaaa@7930@ ,                                                             (30)

или

t 2 t 1 = ln R 2 R пр R пр R д.стр R 1 R д.стр R 1 R пр R пр R д.стр R 2 R д.стр MathType@MTEF@5@5@+= feaahGart1ev3aqatCvAUfeBSjuyZL2yd9gzLbvyNv2CaerbuLwBLn hiov2DGi1BTfMBaeXatLxBI9gBaerbd9wDYLwzYbItLDharqqtubsr 4rNCHbGeaGqiVCI8FfYJH8YrFfeuY=Hhbbf9v8qqaqFr0xc9pk0xbb a9q8WqFfeaY=biLkVcLq=JHqpepeea0=as0Fb9pgeaYRXxe9vr0=vr 0=vqpWqaaeaabiGaciaacaqabeaadaqaaqaaaOqaaabaaaaaaaaape WaaSaaa8aabaWdbiaadshapaWaaSbaaSqaa8qacaaIYaaapaqabaaa keaapeGaamiDa8aadaWgaaWcbaWdbiaaigdaa8aabeaaaaGcpeGaey ypa0JaaiiOaiaadYgacaWGUbWaaSaaa8aabaWdbiaadkfapaWaaSba aSqaa8qacaaIYaaapaqabaGcpeGaeyyXICTaamOua8aadaWgaaWcba Wdbiaad+dbcaWGaraapaqabaGcpeWaaeWaa8aabaWdbiaadkfapaWa aSbaaSqaa8qacaWG=qGaamiqeaWdaeqaaOWdbiabgwSixlaadkfapa WaaSbaaSqaa8qacaWG0qGaaiOlaiaadgebcaWGcrGaamiqeaWdaeqa aOWdbiabgkHiTiaadkfapaWaaSbaaSqaa8qacaaIXaaapaqabaGcpe GaeyyXICTaamOua8aadaWgaaWcbaWdbiaadsdbcaGGUaGaamyqeiaa dkebcaWGaraapaqabaaak8qacaGLOaGaayzkaaaapaqaa8qacaWGsb WdamaaBaaaleaapeGaaGymaaWdaeqaaOWdbiabgwSixlaadkfapaWa aSbaaSqaa8qacaWG=qGaamiqeaWdaeqaaOWdbmaabmaapaqaa8qaca WGsbWdamaaBaaaleaapeGaam4peiaadceba8aabeaak8qacqGHflY1 caWGsbWdamaaBaaaleaapeGaamineiaac6cacaWGbrGaamOqeiaadc eba8aabeaak8qacqGHsislcaWGsbWdamaaBaaaleaapeGaaGOmaaWd aeqaaOWdbiabgwSixlaadkfapaWaaSbaaSqaa8qacaWG0qGaaiOlai aadgebcaWGcrGaamiqeaWdaeqaaaGcpeGaayjkaiaawMcaaaaaaaa@79B9@ .                                                                                   (31)

После сокращения на R пр MathType@MTEF@5@5@+= feaahGart1ev3aqatCvAUfeBSjuyZL2yd9gzLbvyNv2CaerbuLwBLn hiov2DGi1BTfMBaeXatLxBI9gBaerbd9wDYLwzYbItLDharqqtubsr 4rNCHbGeaGqiVCI8FfYJH8YrFfeuY=Hhbbf9v8qqaqFr0xc9pk0xbb a9q8WqFfeaY=biLkVcLq=JHqpepeea0=as0Fb9pgeaYRXxe9vr0=vr 0=vqpWqaaeaabiGaciaacaqabeaadaqaaqaaaOqaaabaaaaaaaaape GaamOua8aadaWgaaWcbaWdbiaad+dbcaWGaraapaqabaaaaa@38CF@  и R д.стр MathType@MTEF@5@5@+= feaahGart1ev3aqatCvAUfeBSjuyZL2yd9gzLbvyNv2CaerbuLwBLn hiov2DGi1BTfMBaeXatLxBI9gBaerbd9wDYLwzYbItLDharqqtubsr 4rNCHbGeaGqiVCI8FfYJH8YrFfeuY=Hhbbf9v8qqaqFr0xc9pk0xbb a9q8WqFfeaY=biLkVcLq=JHqpepeea0=as0Fb9pgeaYRXxe9vr0=vr 0=vqpWqaaeaabiGaciaacaqabeaadaqaaqaaaOqaaabaaaaaaaaape GaamOua8aadaWgaaWcbaWdbiaadsdbcaGGUaGaamyqeiaadkebcaWG araapaqabaaaaa@3B0B@ , получим:

t 2 t 1 = ln R 2 R пр R 1 R 1 R пр R 2 MathType@MTEF@5@5@+= feaahGart1ev3aqatCvAUfeBSjuyZL2yd9gzLbvyNv2CaerbuLwBLn hiov2DGi1BTfMBaeXatLxBI9gBaerbd9wDYLwzYbItLDharqqtubsr 4rNCHbGeaGqiVCI8FfYJH8YrFfeuY=Hhbbf9v8qqaqFr0xc9pk0xbb a9q8WqFfeaY=biLkVcLq=JHqpepeea0=as0Fb9pgeaYRXxe9vr0=vr 0=vqpWqaaeaabiGaciaacaqabeaadaqaaqaaaOqaaabaaaaaaaaape WaaSaaa8aabaWdbiaadshapaWaaSbaaSqaa8qacaaIYaaapaqabaaa keaapeGaamiDa8aadaWgaaWcbaWdbiaaigdaa8aabeaaaaGcpeGaey ypa0JaaiiOaiaadYgacaWGUbWaaSaaa8aabaWdbiaadkfapaWaaSba aSqaa8qacaaIYaaapaqabaGcpeWaaeWaa8aabaWdbiaadkfapaWaaS baaSqaa8qacaWG=qGaamiqeaWdaeqaaOWdbiabgkHiTiaadkfapaWa aSbaaSqaa8qacaaIXaaapaqabaaak8qacaGLOaGaayzkaaaapaqaa8 qacaWGsbWdamaaBaaaleaapeGaaGymaaWdaeqaaOWdbmaabmaapaqa a8qacaWGsbWdamaaBaaaleaapeGaam4peiaadceba8aabeaak8qacq GHsislcaWGsbWdamaaBaaaleaapeGaaGOmaaWdaeqaaaGcpeGaayjk aiaawMcaaaaaaaa@51E5@ .                                                                                                                   (32)

Потенцируем уравнение (32) по основанию e MathType@MTEF@5@5@+= feaahGart1ev3aqatCvAUfeBSjuyZL2yd9gzLbvyNv2CaerbuLwBLn hiov2DGi1BTfMBaeXatLxBI9gBaerbd9wDYLwzYbItLDharqqtubsr 4rNCHbGeaGqiVCI8FfYJH8YrFfeuY=Hhbbf9v8qqaqFr0xc9pk0xbb a9q8WqFfeaY=biLkVcLq=JHqpepeea0=as0Fb9pgeaYRXxe9vr0=vr 0=vqpWqaaeaabiGaciaacaqabeaadaqaaqaaaOqaaabaaaaaaaaape Gaamyzaaaa@36F7@

e t 2 t 1 = R 2 R пр R 1 R 1 R пр R 2 MathType@MTEF@5@5@+= feaahGart1ev3aqatCvAUfeBSjuyZL2yd9gzLbvyNv2CaerbuLwBLn hiov2DGi1BTfMBaeXatLxBI9gBaerbd9wDYLwzYbItLDharqqtubsr 4rNCHbGeaGqiVCI8FfYJH8YrFfeuY=Hhbbf9v8qqaqFr0xc9pk0xbb a9q8WqFfeaY=biLkVcLq=JHqpepeea0=as0Fb9pgeaYRXxe9vr0=vr 0=vqpWqaaeaabiGaciaacaqabeaadaqaaqaaaOqaaabaaaaaaaaape Gaamyza8aadaahaaWcbeqaa8qadaWcaaWdaeaapeGaamiDa8aadaWg aaadbaWdbiaaikdaa8aabeaaaSqaa8qacaWG0bWdamaaBaaameaape GaaGymaaWdaeqaaaaaaaGcpeGaeyypa0ZaaSaaa8aabaWdbiaadkfa paWaaSbaaSqaa8qacaaIYaaapaqabaGcpeWaaeWaa8aabaWdbiaadk fapaWaaSbaaSqaa8qacaWG=qGaamiqeaWdaeqaaOWdbiabgkHiTiaa dkfapaWaaSbaaSqaa8qacaaIXaaapaqabaaak8qacaGLOaGaayzkaa aapaqaa8qacaWGsbWdamaaBaaaleaapeGaaGymaaWdaeqaaOWdbmaa bmaapaqaa8qacaWGsbWdamaaBaaaleaapeGaam4peiaadceba8aabe aak8qacqGHsislcaWGsbWdamaaBaaaleaapeGaaGOmaaWdaeqaaaGc peGaayjkaiaawMcaaaaaaaa@5016@ .                                                                                                                      (33)

Выражаем активное сопротивление току сквозной проводимости R пр MathType@MTEF@5@5@+= feaahGart1ev3aqatCvAUfeBSjuyZL2yd9gzLbvyNv2CaerbuLwBLn hiov2DGi1BTfMBaeXatLxBI9gBaerbd9wDYLwzYbItLDharqqtubsr 4rNCHbGeaGqiVCI8FfYJH8YrFfeuY=Hhbbf9v8qqaqFr0xc9pk0xbb a9q8WqFfeaY=biLkVcLq=JHqpepeea0=as0Fb9pgeaYRXxe9vr0=vr 0=vqpWqaaeaabiGaciaacaqabeaadaqaaqaaaOqaaabaaaaaaaaape GaamOua8aadaWgaaWcbaWdbiaad+dbcaWGaraapaqabaaaaa@38CF@ :

R пр = R 2 R 1 e t 2 t 1 1 R 1 e t 2 t 1 R 2 MathType@MTEF@5@5@+= feaahGart1ev3aqatCvAUfeBSjuyZL2yd9gzLbvyNv2CaerbuLwBLn hiov2DGi1BTfMBaeXatLxBI9gBaerbd9wDYLwzYbItLDharqqtubsr 4rNCHbGeaGqiVCI8FfYJH8YrFfeuY=Hhbbf9v8qqaqFr0xc9pk0xbb a9q8WqFfeaY=biLkVcLq=JHqpepeea0=as0Fb9pgeaYRXxe9vr0=vr 0=vqpWqaaeaabiGaciaacaqabeaadaqaaqaaaOqaaabaaaaaaaaape GaamOua8aadaWgaaWcbaWdbiaad+dbcaWGaraapaqabaGcpeGaeyyp a0ZaaSaaa8aabaWdbiaadkfapaWaaSbaaSqaa8qacaaIYaaapaqaba GcpeGaamOua8aadaWgaaWcbaWdbiaaigdaa8aabeaak8qadaqadaWd aeaapeGaamyza8aadaahaaWcbeqaa8qadaWcaaWdaeaapeGaamiDa8 aadaWgaaadbaWdbiaaikdaa8aabeaaaSqaa8qacaWG0bWdamaaBaaa meaapeGaaGymaaWdaeqaaaaaaaGcpeGaeyOeI0IaaGymaaGaayjkai aawMcaaaWdaeaapeGaamOua8aadaWgaaWcbaWdbiaaigdaa8aabeaa k8qacaWGLbWdamaaCaaaleqabaWdbmaalaaapaqaa8qacaWG0bWdam aaBaaameaapeGaaGOmaaWdaeqaaaWcbaWdbiaadshapaWaaSbaaWqa a8qacaaIXaaapaqabaaaaaaak8qacqGHsislcaWGsbWdamaaBaaale aapeGaaGOmaaWdaeqaaaaaaaa@51EC@ .                                                                                                                  (34)

Уравнение (10) по определению электронной и ионной поляризации C эи MathType@MTEF@5@5@+= feaahGart1ev3aqatCvAUfeBSjuyZL2yd9gzLbvyNv2CaerbuLwBLn hiov2DGi1BTfMBaeXatLxBI9gBaerbd9wDYLwzYbItLDharqqtubsr 4rNCHbGeaGqiVCI8FfYJH8YrFfeuY=Hhbbf9v8qqaqFr0xc9pk0xbb a9q8WqFfeaY=biLkVcLq=JHqpepeea0=as0Fb9pgeaYRXxe9vr0=vr 0=vqpWqaaeaabiGaciaacaqabeaadaqaaqaaaOqaaabaaaaaaaaape Gaam4qa8aadaWgaaWcbaWdbiaad2ebcaWG4qaapaqabaaaaa@38C6@ , уравнение (23) по определению емкость структурной и дипольной поляризации C д.стр MathType@MTEF@5@5@+= feaahGart1ev3aqatCvAUfeBSjuyZL2yd9gzLbvyNv2CaerbuLwBLn hiov2DGi1BTfMBaeXatLxBI9gBaerbd9wDYLwzYbItLDharqqtubsr 4rNCHbGeaGqiVCI8FfYJH8YrFfeuY=Hhbbf9v8qqaqFr0xc9pk0xbb a9q8WqFfeaY=biLkVcLq=JHqpepeea0=as0Fb9pgeaYRXxe9vr0=vr 0=vqpWqaaeaabiGaciaacaqabeaadaqaaqaaaOqaaabaaaaaaaaape Gaam4qa8aadaWgaaWcbaWdbiaadsdbcaGGUaGaamyqeiaadkebcaWG araapaqabaaaaa@3AFC@  и уравнение (34) по определению активного сопротивления току сквозной проводимости R пр MathType@MTEF@5@5@+= feaahGart1ev3aqatCvAUfeBSjuyZL2yd9gzLbvyNv2CaerbuLwBLn hiov2DGi1BTfMBaeXatLxBI9gBaerbd9wDYLwzYbItLDharqqtubsr 4rNCHbGeaGqiVCI8FfYJH8YrFfeuY=Hhbbf9v8qqaqFr0xc9pk0xbb a9q8WqFfeaY=biLkVcLq=JHqpepeea0=as0Fb9pgeaYRXxe9vr0=vr 0=vqpWqaaeaabiGaciaacaqabeaadaqaaqaaaOqaaabaaaaaaaaape GaamOua8aadaWgaaWcbaWdbiaad+dbcaWGaraapaqabaaaaa@38CF@  дают возможность описать изменения этих параметров для упрощенной эквивалентной электрической схемы в ядре и лузге семян клещевины (рис. 2).

Заключение. Получены уравнения для определения параметров электрической схемы замещения для ядра и семян клещевины: ёмкости, обусловленной электронной и ионной поляризацией; ёмкости, обусловленной дипольной и структурной поляризацией; сопротивления, обусловленного дипольной и структурной поляризацией, сопротивления току сквозной проводимости. Такие данные позволят в процессе исследований установить электрические свойства (тангенс угла диэлектрических потерь, относительную диэлектрическую проницаемость и электропроводность) ядра и лузги семян клещевины.

×

About the authors

Andrey B. Chebanov

Melitopol State University

Email: chebanov-ab@yandex.ru
ORCID iD: 0000-0002-8457-0574

Candidate of Technical Sciences, Associate Professor

Russian Federation, Melitopol

Nikolai I. Struchaev

Melitopol State University

Email: usun105@gmail.com
ORCID iD: 0000-0002-8891-4960

Candidate of Technical Sciences, Associate Professor

Russian Federation, Melitopol

Svetlana V. Adamova

Melitopol State University

Author for correspondence.
Email: adamova164@gmail.com
ORCID iD: 0000-0003-4857-4524

Researcher

Russian Federation, Melitopol

Yulia V. Chebanova

Melitopol State University

Email: Chebanovafeb@gmail.com
ORCID iD: 0000-0001-8748-9627

Candidate of Geographical Sciences, Associate Professor

Russian Federation, Melitopol

References

  1. Didur, V., Kyurchev, V., Chebanov, A. & Aseev, A. (2019). Increasing the efficiency of the technological process of processing castor-oil seeds into castor oil. Modern Development Paths of Agricultural Production. Springer Nature Switzerland AG. 17-28. doi: 10.1007/978-3-030-14918-5_3
  2. Didur, V. A. & Chebanov A. B. (2009). Methodology for determining the concentration of dust in the air of the working area during the collapse of castor seeds. Proceedings of the Taurida State Agrotechnological University´09. (pp. 169-175). Melitopol.
  3. Shmigel, V. I. & Kozlov, A. S. (1972). Removal of wheat seeds from a cellular surface when applying an electrostatic field // Posleuborochnaja obrabotka zernovyh kul'tur. ChIMJeSH. 69. 139-144 (in Russ).
  4. Lavrov, I. M. & Shmigel, V. N. (1983). On the mechanism of seed charging in an electrostatic field // Mehanizacija i jelektrifikacija sel'skogo hozjajstva. 12, 42-43 (in Russ).
  5. Frelich, G. (1960). Theory of dielectrics. Permittivity and dielectric losses.
  6. Rez IS, P. Y. (1989). Dielectrics: basic properties and applications in electronics. Fig.
  7. Prishchep, L. G. & Tsaturyan, A. I. (1980). Electrical phenomena in granular media and their application. Mehanizacija i jelektrifikacija sel'skogo hozjajstva. 1, 32-36 (in Russ).
  8. Pashinsky, V. A. & Bondarchuk O. V. (2019). The impact of a non-uniform electric field on the extractivity of malting barley // Saharovskie chtenija 2019 goda: jekologicheskie problemy XXI veka: materialy 19 mezhdunarodnoj nauchnoj konferencii, At 3 hours. Part 3. Minsk: IVC Minfina, 148-151 (in Russ).
  9. Korenkov, D. A. (2017). Increasing the energy efficiency of electrical technological complexes for vacuum-high-frequency wood drying. Orjol. (in Russ).
  10. Knyazhevskaya, V. S. (1980). High-frequency heating of dielectric materials. Leningrad: Mechanical Engineering. Leningr. department (in Russ).
  11. Lyapin, V. G. (2008). Study of the electrical properties of plant tissue in an electromagnetic field. Vestnik FGOU VPO MGAU. 4. 14-16 (in Russ).
  12. Borodin, I. & Shmigel, V. (1997). Electricity in the cleaning and separation of seeds. Sel'skij mehanizator. 10. 20-22 (in Russ).
  13. Landau, L. D., & Lifshitz, E. M. (1957). Electrodynamics of continuous media (Vol. 68). Gostekhizdat. (in Russ).
  14. Bologa, M. K. & Berill, I. I. (2004). Refining sunflower oil in an electric field. Ch.: I.E.P. "Stiinta" (in Russ).
  15. Zubova, R. A. (2017). Justification of the modes of pre-sowing treatment of seeds with a hard shell with ultrasound and an ultra-high frequency electromagnetic field. Krasnoyarsk (in Russ).
  16. Tarushkin, V. I. (1983). The impact of pandemotor forces on seeds during separation // Mehanizacija i jelektrifikacija sel'skogo hozjajstva. Minsk. 12. 35-39 (in Russ).

Supplementary files

Supplementary Files
Action
1. JATS XML
2. Fig. 1. Equivalent electrical circuit for castor bean husk and kernel: Ce – capacitance due to electron polarization; Cu – capacitance due to ionic polarization; Cd, Rd – capacitance and resistance due to dipole polarization; Cstr, Rstr – capacitance and resistance due to structural polarization; Rpr – resistance to through conduction current

Download (69KB)
3. Fig. 2. Simplified equivalent electrical circuit for the kernel and husk of castor seeds: Сэи — capacitance due to electron and ion polarization; Сд.стр, Rд.стр — capacitance and resistance due to dipole and structural polarization.

Download (69KB)
4. Fig. 3. Simplified equivalent electrical circuit for castor bean kernel and husk when connected to a source of constant electromotive force (emf) Eist – source of direct current

Download (56KB)

Copyright (c) 2024 Chebanov A.B., Struchaev N.I., Adamova S.V., Chebanova Y.V.

Creative Commons License
This work is licensed under a Creative Commons Attribution 4.0 International License.