Justification of a promising functional scheme of a grain crusher
- Authors: Chuikov V.E.1, Konovalov V.V.1, Dontsova M.V.1, Petrova S.S.2
-
Affiliations:
- Penza State Technological University
- Samara State Agrarian University
- Issue: Vol 9, No 2 (2024)
- Pages: 34-43
- Section: TECHNOLOGY, MEANS OF MECHANIZATION AND POWER EQUIPMENT IN AGRICULTURE
- URL: https://bulletin.ssaa.ru/1997-3225/article/view/633476
- DOI: https://doi.org/10.55170/1997-3225-2024-9-2-34-43
- ID: 633476
Cite item
Full Text
Abstract
The purpose of the research is to develop a promising functional scheme of the working process of a grain crusher and its general design scheme. The research methodology provides an analytical substantiation of the rational sequence of operations of the crusher workflow. Analysis of the sequence of operations of working processes of existing grain crushers made it possible to identify differences in the list and order of operations of working processes for different types of crushes. The general promising design and functional scheme of grain crushers provides for the presence of sections (zones) such as crusher loading, preliminary (mesh) cleaning; accumulation of grain, its dosing, final cleaning, distribution across the cross-section of the loading neck of the crusher (if necessary), grinding the grain and unloading the finished product. For free-standing grain crushers, the preferred option is spaced grain cleaning, when large-sized inclusions are separated by a mesh when loading the storage hopper, and metal particles after the dispenser are separated by a magnet. This option is the most acceptable, because the “pass” mesh cleaning allows to remove stones and threads, and a thin layer of grain on the surface of the magnet makes it easier to collect metal contaminants. The performance of the mesh cleaning must be matched to the performance of the crusher's grain loading system, which has higher feed rates than the crusher. The dispenser must ensure loading of the crushing device of the crusher on all types of crops, the grain of which is to be crushed. The performance of the magnetic separator is linked to the maximum performance of the feed dispenser at the grinding device. For cone grinders, the loading zone is a ring, so the design must ensure the supply of grain over the entire area of the loading opening of the grinding zone. The most effective is stepwise grinding of the product, implemented in grateless hammer crushers and inertia-free cone crushers. This prevents over-grinding of grain particles and reduces inefficient energy consumption during crushing. The use of chipping particles from the original grains makes it possible to further reduce energy costs due to the absence of imparting kinetic energy to the grains and their subsequent inhibition and the absence of the need for particle segregation.
Full Text
Животноводство требует обеспечения животных качественными кормами в надлежащем количестве. При этом источником энергии являются концентрированные корма на основе зерна сельскохозяйственных культур. Для эффективного его использования зерновки подлежат измельчению и используются в пропорции по видам культур и добавок для обеспечения баланса питательных веществ [1, 2]. В зависимости от вида и возраста животных наиболее эффективный размер частиц дерти изменяется [3-5]. Регламентируется НТП-АПК 1.10.16.001-02 помол зерна менее 1 мм. Для свиней размер частиц эффективен от 0,6 до 1 мм. При этом размер частиц не должен быть менее 0,5 мм, так как пылевидные частицы забивают дыхательный и пищеварительный тракты, приводя к заболеваниям животным. Доля пылевидных частиц не должна превышать 20%. Пылевые частицы способствуют потерям корма и взрывоопасны [1, 6].
Попадание посторонних предметов к рабочим органам дробилок вызывает их поломку, ускоренный износ рабочих поверхностей, ухудшает качество продукта [7-9]. При этом эффективность измельчения зерна и применения дробилок разного типа различна [10-15]. Среди направлений развития дробилок следует отметить дробилки ударного действия (молотковые [15-18] и бильные [19, 20]), раздавливающего (гладкие вальцовые [20]) и скалывающего действия (центробежно-роторные с штифтовыми рабочими органами [21, 22], безинерционные с зубчатыми конусами [7, 9, 23]).
Анализ конструкций дробилок зерна [23-28] показал, что независимо от конструктивного решения и способа измельчения зерна рабочий процесс дробления зерна включает в себя ряд операций. К их числу относятся: очистка от посторонний тел, накопление зерна, дозированная подача зерна, измельчение, отвод готового продукта. При этом перечень, порядок и количество однотипных операций в различных конструкциях дробилок различается.
Цель исследований - разработка перспективной функциональной схемы рабочего процесса дробилки зерна и ее конструктивной схемы.
Задачи исследований – провести аналитический обзор конструкций зерновых дробилок; выявить перечень и очередность операций их рабочих процессов; разработать функциональные схемы вариантов существующих дробилок и обосновать перспективный вариант функциональной схемы дробилки зерна, а на основе ее – перспективную общую конструктивную схему дробилки.
Методика и результаты исследований. Методика исследований предусматривает аналитическое обоснование рациональной последовательности операций рабочего процесса дробилки.
Анализ последовательности операций рабочих процессов существующих дробилок зерна [1, 20-25] позволил выявить различия технологических процессов у разных типов измельчителей и дробилок. Следует выделить два общих блока операций, характерных для дробилок зерна (рис.1): I – блок подготовительных операций по очистке и дозированной подаче зерна; II – блок основных операций по измельчению и сегрегации частиц зерновок. Рассмотрим детально перечень операций данных блоков.
Рис. 1. Общая функциональная схема дробилок зерна: I – блок подготовительных операций по очистке и дозированной подаче зерна; II – блок основных операций по измельчению и сегрегации частиц зерновок; f1, f2, f3 – качественные, количественные и энергетические характеристики зерна, поступающего на измельчение; Х1..5 – внутренние характеристики элементов конструкции дробилки, реализующие подготовительные операции; Y1,5, Y2,5, Y3,5 – качественные, количественные и энергетические характеристики и показатели зерна и его потока, поступающего на дробление; Y1,7, Y2,7, Y3,7 – качественные, количественные и энергетические характеристики и показатели дерти зерна и ее потока, выходящего из дробилки как приготовленный продукт данным устройством
Анализируя очередность операций рабочего процесса первого блока (рис.2) на основе разнообразия конструкций дробилок, видим, что очистка зерна может производиться как до питателя (включающего в себя функции накопления и дозирования) зерна (рис.2.b), так и после него (рис.2.c). У некоторых конструкций дробилок система очистки может отсутствовать (рис.2.а). Чаще данная особенность наблюдается у стоящих отдельно конструктивно упрощенных измельчителей с ручной загрузкой, либо дробилок, являющихся частью технологической линии (используется предварительно уже очищенное зерно). При измельчении зерна в условиях хозяйств встроенная система очистки зерна предотвращает поломку дробилки.
Распространен вариант разнесенной очистки, когда сеткой отделяются крупногабаритные включения при загрузке накопительного бункера, а магнитом – металлические частицы после дозатора (рис. 2.d) [1]. Данный вариант наиболее приемлем, т.к. сетчатая очистка на «пропуск» позволяет удалить камни и нити, а тонкий слой зерна на поверхности магнита облегчает сбор металлических загрязнений. При этом производительность сетчатой очистки должна быть согласована с производительностью системы загрузки дробилки зерном, имеющей высокую подачу чем у дробилки. Дозатор должен обеспечивать загрузку измельчающего устройства на всех видах культур, зерно которых подлежит измельчению. Производительность магнитного сепаратора увязывается с максимальной производительностью питающего дозатора у измельчительного устройства. У конусных измельчителей зона загрузки представляет собой кольцо, поэтому конструктивно надлежит обеспечить подвод зерна по всей площади загрузочного отверстия зоны измельчения.
Рис. 2. Функциональная схема блока подготовительных операций по очистке и дозированной подаче зерна у дробилок зерна: Х1… Х5 – внутренние характеристики элементов конструкции дробилки, реализующие подготовительные операции; Z – устройство загрузки зерна; O – устройство очистки зерна; N – устройство накопления зерна (бункер); D – устройство дозированной подачи зерна; Y1,1, Y2,1, Y3,1 – качественные, количественные и энергетические характеристики и показатели зерна и его потока, поступающего после устройства загрузки (1); Y1,2, Y2,2, Y3,2; Y1,5, Y2,5, Y3,5 – качественные, количественные и энергетические характеристики и показатели зерна и его потока, поступающего после первичной (2) и окончательной очистки (5) в блок основных операций для дробления; Y1,3, Y2,3, Y3,3; Y1,4, Y2,4, Y3,4 – качественные, количественные и энергетические характеристики и показатели дерти зерна и ее потока, выходящего из бункера (3) и дозатора (4) дробилки
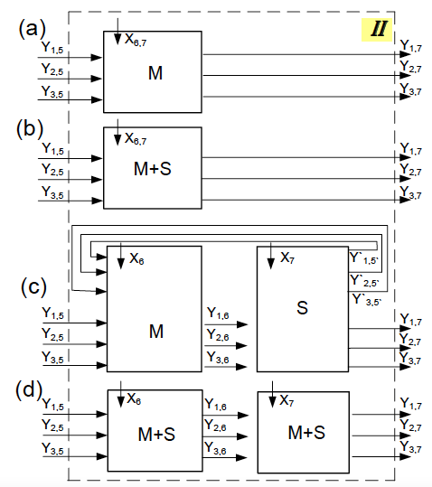
Анализируя очередность операций рабочего процесса второго блока (рис. 3) на основе разнообразия конструкций дробилок [20-25], видим, что в процессе измельчения зерновок, получаемые частицы могут, как сразу направляться на выгрузку (рис.3.а), так и дополнительно разделяться на фракции [20, 21]. При этом конструкции дробилок реализуют различные варианты сочетания измельчения и сегрегации (когда мелкие частицы направляются на выгрузку /отводятся/, а крупные частицы – поступают на повторное измельчение).
Молотковые дробилки с решетами в дробильной камере [19] обеспечивают одновременное измельчение зерновок и сегрегацию частиц дерти (рис.3.b).
Молотковые безрешетные дробилки (типа ДБ-5) [29-31] обеспечивают как измельчение продукта, так и воздушную сепарацию / отвод мелкой фракции на выгрузку, и повторное измельчение крупной фракции частиц дерти (рис.3.с).
Вальцовые измельчители (двухступенчатые плющилки) [20] как измельчают начальные частицы, так и одновременно их сегрегируют. Мелкие частицы проходят через межвальцовый зазор, а крупные тормозятся до раздавливания крупных частиц, и лишь затем проходят. На второй паре вальцов процесс повторяется (рис. 3.d). Вальцовые рифленые поставы производят скалывание частиц с зерновок, обеспечивая торможение зерновок и проход скола на одной паре вальцов.
Конусные безинерционные дробилки [7, 9, 23] позволяют начально мелкоизмельченным частицам проходить вдоль сужающегося межконусного канала для повторного измельчения на последующем участке канала с меньшим зазором (с последующим повторением процесса (рис.3.d)), а крупные – повторно измельчаются на той же стадии измельчения. В данном случае количество стадий измельчения зависит от размера измельчаемых частиц. Измельчение является аналогом вальцовых рифленых поставов.
Тем самым, в схемах безрешетных молотковых дробилок (рис. 3.с) и конусных безинерционных дробилок (рис. 3.d) реализуется ступенчатое измельчение продукта. Этим достигается предотвращение переизмельчения частиц зерна и снижение неэффективных энергозатрат при дроблении. Использование скалывания частиц от исходных зерновок позволяет дополнительно снизить энергозатраты ввиду отсутствия многократного разгона-торможения зерновок.
Рис. 3. Функциональная схема блока основных операций по измельчению и сегрегации частиц зерновок у дробилок зерна: Х6,7 – внутренние характеристики элементов конструкции дробилки, реализующие основные операции; M – устройство измельчения зерна; S – устройство сегрегации частиц зерновок; Y1,6, Y2,6, Y3,6 – качественные, количественные и энергетические характеристики и показатели частиц дерти и ее потока, поступающего после устройства измельчения (6); Y1,7, Y2,7, Y3,7; – качественные, количественные и энергетические характеристики и показатели частиц дерти и ее потока, поступающего после сегрегации (разделения по крупности) частиц дерти (7); Y1,5`, Y2,5`, Y3,5` – качественные, количественные и энергетические характеристики и показатели частиц дерти зерна и ее потока, направляемого на повторное измельчение (5`) в дробилке
В результате проведенный анализ позволил выявить перспективную функциональная схему дробилок зерна (рис.4). На основе ее предлагается перспективная общая конструктивная схема конусной дробилки зерна (рис. 5).
Рис. 4. Общая функциональная схема перспективных дробилок зерна
Рис. 5. Общая перспективная конструктивная схема конусных дробилок зерна: 1 – загрузочный участок; 2 – участок предварительной очистки; 3 – участок накопления зерна; 4 – участок дозирования; 5 – участок окончательной очистки; 6 – участок распределения зерна; 7 – участок измельчения зерна; 8 – участок выгрузки готового продукта
Подаваемый загрузным устройством на загрузочном участке 1 зерновой материал проходит при падении участок предварительной очистки 2 в виде сетки, на которой отделяются частицы со существенно более крупными габаритами, чем зерновки. Предварительно очищенное зерно поступает в бункер участка накопления 3. Из бункера дозирующим устройством зерно тонким слоем поступает на участок окончательной очистки 5 для магнитного удаления металлических примесей и далее на участок распределения 6 к кольцевому входу конического участка измельчения. В результате многократного скалывания частиц от зерновки образуется дерть, способная пройти между рабочими органами участка измельчения 7 в зону участка выгрузки готового продукта 8. Если указанные основные рабочие органы позволяют реализовать очередность операций рабочего процесса, то особенности конструктивного исполнения рабочих органов на участках требуют соблюдения их потребных настроек и регулировок, соответствующих применяемому технологическому процессу.
Заключение. Общая перспективная конструктивная и функциональная схема дробилок зерна предусматривает наличия участков (зон): загрузки дробилки, предварительной (сетчатой) очистки; накопления зерна, его дозирования, окончательной очистки, распределения по сечению загрузной горловины измельчителя (при необходимости), измельчения зерна и выгрузки готового продукта.
Для отдельно стоящих дробилок зерна предпочтителен вариант разнесенной очистки зерна, когда сеткой отделяются крупногабаритные включения при загрузке накопительного бункера, а магнитом – металлические частицы после дозатора. Данный вариант наиболее приемлем, т.к. сетчатая очистка на «пропуск» позволяет удалить камни и нити, а тонкий слой зерна на поверхности магнита облегчает сбор металлических загрязнений. При этом производительность сетчатой очистки должна быть согласована с производительностью системы загрузки дробилки зерном, имеющей более высокую подачу чем у дробилки. Дозатор должен обеспечивать загрузку измельчающего устройства дробилки на всех видах культур, зерно которых подлежит измельчению. Производительность магнитного сепаратора увязывается с максимальной производительностью питающего дозатора у измельчительного устройства. У конусных измельчителей зона загрузки представляет собой кольцо, поэтому конструктивно надлежит обеспечить подвод зерна по всей площади загрузного отверстия зоны измельчения.
Наиболее эффективно ступенчатое измельчение продукта, реализуемое в схемах безрешетных молотковых дробилок и конусных безинерционных дробилках. Этим достигается предотвращение переизмельчения частиц зерна и снижение неэффективных энергозатрат при дроблении. Использование скалывания частиц от исходных зерновок позволяет дополнительно снизить энергозатраты ввиду отсутствия многократного разгона-торможения зерновок.
Вклад авторов: все авторы сделали эквивалентный вклад в подготовку публикации. Авторы заявляют об отсутствии конфликта интересов.
Authors' contribution: all authors have made an equivalent contribution to the preparation of the publication. The authors declare that there is no conflict of interest.
About the authors
Valery E. Chuikov
Penza State Technological University
Author for correspondence.
Email: epnz@yandex.ru
postgraduate student
Russian Federation, PenzaVladimir V. Konovalov
Penza State Technological University
Email: konovalov-penza@rambler.ru
ORCID iD: 0000-0002-5011-5354
Doctor of Technical Sciences, Professor
Russian Federation, PenzaMarina V. Dontsova
Penza State Technological University
Email: dontmv@mail.ru
ORCID iD: 0000-0003-2915-0881
Candidate of Technical Sciences, Associate Professor
Russian Federation, PenzaSvetlana S. Petrova
Samara State Agrarian University
Email: svetychsa1368@mail.ru
ORCID iD: 0000-0002-0243-8992
Candidate of Technical Sciences, Associate Professor
Russian Federation, Ust-Kinelsky, Samara RegionReferences
- Krasnov I. N., Filin V. M., Globin A. N., Ladygin E. A. (2014). Production of compound feeds in the conditions of personal subsidiary plots and farms. Zernograd : Federal State Budgetary Educational Institution of Higher Professional Education AChGAA (in Russ.).
- Akimov, S. S. & Borovsky A. S. (2023). Development of a model of the «feed-animals-productivity» system taking into account the kinetics of microelements. XXI century: results of the past and problems of the present plus, 12, 1(61), 53-58, EDN CJBRGI (in Russ.).
- Chupshev, A. V. (2021). Justification of a promising operational scheme for the preparation of concentrated feed in the conditions of livestock enterprises. Niva Povolzhiia (Niva Povolzhya), 3 (60), 135-141 (in Russ.).
- Prusov, M. V., Kurdyumov, V. I., Pavlushin, A. A. (2020). Theoretical justification of the parameters of the loading, storage and unloading processes of mixed feed. Vestnik Ulyanovskoj gosudarstvennoj selskohozyajstvennoj akademii (Bulletin of the Ulyanovsk State Agricultural Academy), 1(49), 6-13 (in Russ.).
- Prazdnichkova, N. V., Trots, A. P., Blinova, O. A. (2024). Productivity and grain quality of spring durum wheat varieties. Samara AgroVecktor (Samara AgroVector), 2024, 1 (10), 69-75 (in Russ.).
- Particle size. Retrieved from https://www.pig333.ru/articles/%D1%80%D0%B0%D0%B7%D0%BC%D0%B5%D1%80-%D1%87%D0%B0%D1% 81%D1%82%D0%B8%D1%86_2294/ / Electronic resource (in Russ.).
- Lebedev, A. T., Iskenderov, R. R. & Shumsky, A. S. (2018). On the issue of increasing the durability of the working bodies of an impact crusher. Nauka v centralnoj Rossii (Science in central Russia), 6 (36), 14-19 (in Russ.).
- Aurorov, V. A., Murashkina, O. A. & Sarafankina, E. A. (2022). Determination of the deflection of the disperser rotor axis by numerical methods // XXI century: results of the past and problems of the present plus, 11, 2(58), 55-58 (in Russ.).
- Peretyagin, E. N. & Anisimov V. A. (2018). Justification of the parameters of a cutting type grain grinder. Permskij agrarnyj vestnik (Perm Agrarian Bulletin), 2 (22), 9-15 (in Russ.).
- Kukaev, Kh. S., Asmankin, E. M. & Ushakov Yu. A. (2023). Efficiency of crushing grain raw materials by impact. Vestnik Kyrgyzskogo nacionalnogo agrarnogo universiteta (Bulletin of the Kyrgyz National Agrarian University), 2 (65), 174-179 (in Russ.).
- Zakharov, S. A. (2021). Calculation of the economic efficiency of using a grain crusher with a knife-type working body. Nauchnyj vestnik Luganskogo gosudarstvennogo agrarnogo universiteta (Scientific Bulletin of Lugansk State Agrarian University), 2 (11), 348-354 (in Russ.).
- Sarafankina, E. A., Murashkina, O. A. & Aurorov, V. A. (2023). Assessing the effectiveness of the functioning of multi-operational technical systems. XXI century: results of the past and problems of the present plus, 12, 2(62), 121-124 (in Russ.).
- Dorovskikh, V. I., Shulaev, G. M., Milushev, R. K. & Zharikov, V. S. (2022). Technology for manufacturing feed additives for livestock. Nauka v centralnoj Rossii (Science in central Russia), 4 (58), 24-34 (in Russ.).
- Khramovskikh, N. A., Nevzorov. V. N., Matskevich, I. V., Yanova, M. A. & Mashanov, A. I. (2021). Modernization of wheat grain crushing technology. Bulletin of KrasGAU, 10 (175), 216-222 (in Russ.).
- Sadov, V. V. & Sorokin, S. A. (2021). Increasing the efficiency of grinding grain components due to optimal loading of the hammer crusher. Vestnik Altajskogo gosudarstvennogo agrarnogo universiteta (Bulletin of the Altai State Agrarian University), 3 (197), 100-106 (in Russ.).
- Bulatov, S. Yu., Nechaev, V. N. & Shamin A. E. (2020). Results of assessing the quality of grain crushing using a DZM-6 crusher. Vestnik NGIEI (Bulletin of NGIEI), 3 (106), 21-36 (in Russ.).
- Baldanov, M. B., Sergeev, Yu. A., Konovalov, V. I. & Konovalova, A. A. (2020). On the choice of rational parameters of a hammer crusher with a monolithic hammer. Vestnik VSGUTU (Vestnik VSUTU), 1 (76), 55-60 (in Russ.).
- Kurmanov, A. K. & Kamysheva N. A. (2019). On the issue of dynamics of impact grinding. Vestnik Vostochno-Kazahstanskogo gosudarstvennogo tekhnicheskogo universiteta im. D. Serikbaeva (Bulletin of the East Kazakhstan State Technical University named after. D. Serikbaeva), 1, 119-124 (in Russ.).
- Bulatov S. YU., Mironov K. E., Rukavishnikova V. N., Smirnov R. A., SHkilev N. P. (2019). Structural and logical diagram of the functioning of a grain crusher with an increased separating surface. Vestnik NGIEI (Bulletin of NGIEI), 11 (102), 47-56 (in Russ.).
- Sysuev, V. A., Savinyh, P. A., Kazakov, V. A. & Sychugov, YU. V. (2022). Research and comparative testing of a grain crusher with a feeding device. Inzhenernye tekhnologii i sistemy (Engineering technologies and systems), 32, 2, P. 207-221 (in Russ.).
- Sabiev, U. K. & Sergeev, N. S. (2019). Universal chopper for agricultural production. Vestnik Omskogo gosudarstvennogo agrarnogo universiteta (Bulletin of the Omsk State Agrarian University), 4 (36), 168-175 (in Russ.).
- Sergeev A. G., Bulatov S. YU., Nechaev V. N. & Nizovcev S. L. (2022). Milling grain grinder. Selskij mekhanizator (Rural machine operator), 5, 14-15 (in Russ.).
- Chuikov, V. E., Konovalov, V. V., Dontsova, M. V. & Petrova, S. S. (2023). Justification of the direction for improving the designs of grain crushers. Izvestiia Samarskoi gosudarstvennoi selskokhoziaistvennoi akademii (Bulletin Samara state agricultural academy), 3, 45-55 (in Russ.).
- Kipriyanov, F. A., Savinykh, P. A., Kopeikin, A. D. & Sukhlyaev, V. A. (2022). Classification of devices for grinding feed grains and directions for improving designs. AgroEkoInfo (AgroE-coInfo), 5 (in Russ.).
- Kerzhentsev, V. A. & Perova, N. V. (2023). Fundamentals of the theory of calculation of hammer crushers. Determination of the main parameters of the structural and functional diagram. Aktualnye problemy v mashinostroenii (Current problems in mechanical engineering), 10, 1-2, 36-43 (in Russ.).
- Anderzhanova, N. N. (2019). Review of designs of separating devices in hammer crushers. Aktualnye voprosy sovershenstvovaniya tekhnologii proizvodstva i pererabotki produkcii selskogo hozyajstva (Current issues of improving the technology of production and processing of agricultural products), 21, 512-516 (in Russ.).
- Brygin, V. M., Yunusov, G. S., Yanukov, N. V. & Poyarkova, L. O. (2020). Design characteristics of crushers, advantages and disadvantages. Aktualnye voprosy sovershenstvovaniya tekhnologii proizvodstva i pererabotki produkcii selskogo hozyajstva (Current issues of improving the technology of production and processing of agricultural products), 22, 544-548 (in Russ.).
- Dyachkova, O. S. & Dyachkov, S. V. (2019). Technological schemes and types of crushers with separators. Nauka i Obrazovanie (Science and Education), 2, 4, 280 (in Russ.).
- Priporov, I. E. (2022). Analysis of designs of sunflower cake grinders. Nauka v centralnoj Rossii (Science in central Russia), 2 (56), 106-116 (in Russ.).
- Shirobokov, V. I., Fedorov, O. S. & Ipatov, A. G. (2019). Analysis of the quality of crushed grain when using open and closed crushers. Vestnik Izhevskoj gosudarstvennoj selskohozyajstvennoj akademii (Bulletin of the Izhevsk State Agricultural Academy), 2 (58), 69-74 (in Russ.).
- Voronin, V. V., Akimenko, A. V., Konoshin, I. V., Chekhunov, O. A. & Voronina, N. A. (2019). Theoretical and experimental substantiation of the effectiveness of using needle-shaped working elements in screen-type and screenless crushers. Innovacii v APK: problemy i perspek-tivy (Innovations in the agro-industrial complex: problems and prospects), 4 (24), 44-52 (in Russ.).
Supplementary files








